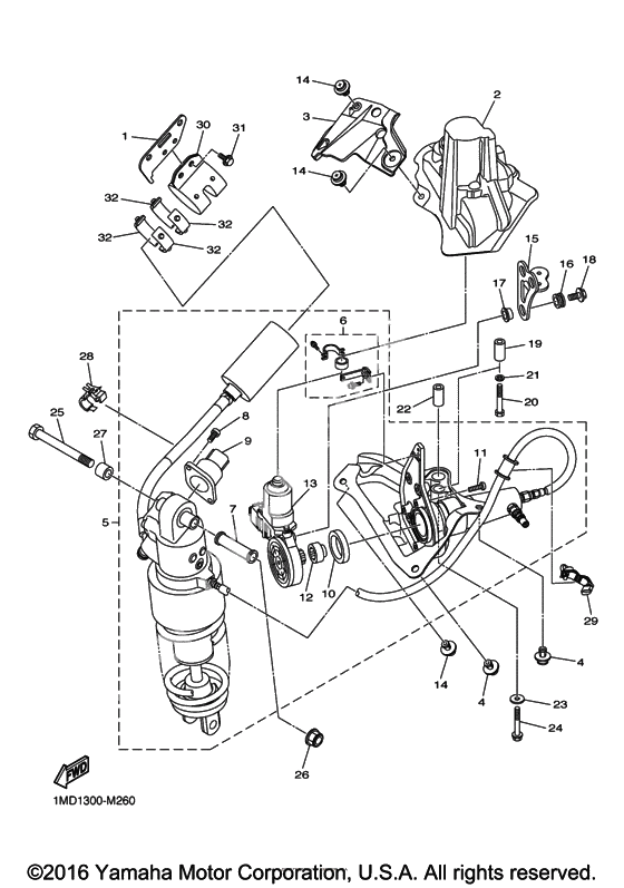
Задняя подвеска
Задняя подвеска
BRKT (Ref #1)
1
Part #1MD-27333-01-00
Cover (Ref #2)
2
Part #1MD-2117F-00-00
Cover 3 (Ref #3)
3
Part #1MD-2117N-00-00
Заклёпка (Ref #4)
4
Part #902-69070-76-00
Заклёпка (Ref #4)
4
Part #902-69070-76-00
Заклёпка (Ref #4)
4
Part #902-69070-76-00
Заклёпка (Ref #4)
4
Part #902-69070-76-00
Shock Absorber Assy, Rear (Ref #5)
5
Part #1MD-22210-11-00
Bolt Stay Set (Ref #6)
6
Part #1MD-2221A-00-00
Втулка (Ref #7)
7
Part #1MD-22216-00-00
Bolt 2 (Ref #8)
8
Part #1MD-22242-00-00
Stepper Motor (Ref #9)
9
Part #1MD-85801-00-00
Ring, Cover (Ref #10)
10
Part #1MD-22215-00-00
Bolt 1 (Ref #11)
11
Part #1MD-22241-00-00
Collar (Ref #12)
12
Part #1MD-2222A-00-00
Motor comp (Ref #13)
13
Part #1MD-86231-00-00
Bracket (Ref #15)
15
Part #1MD-27332-01-00
GROMMET (Ref #16)
16
Part #90480-14003-00
Втулка (Ref #17)
17
Part #90387-06125-00
Болт с шайбой (Ref #18)
18
Part #90119-06147-00
Collar (8U7) (Ref #19)
19
Part #90387-105G5-00
Bolt (Ref #20)
20
Part #97017-06045-00
Washer, Plate (Ref #21)
21
Part #92907-06600-00
Washer, Plate (Ref #23)
23
Part #90201-06085-00
BOLT (Ref #24)
24
Part #95817-06045-00
Болт (Ref #25)
25
Part #901-01120-44-00
Гайка самоконтрящаяся (Ref #26)
26
Part #95602-12200-00
Втулка (Ref #27)
27
Part #90387-12028-00
CLAMP (Ref #28)
28
Part #90464-15192-00
Скоба (Ref #29)
29
Part #904-64140-12-00
Holder, Sub Tank (Ref #30)
30
Part #1MD-22262-01-00
BOLT (Ref #31)
31
Part #95817-06014-00
