Электрооборудование 2
Электрооборудование 2
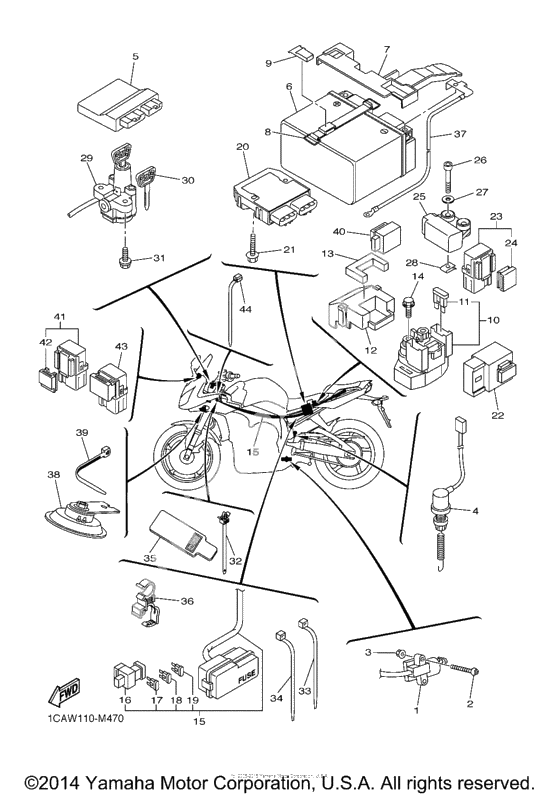
Switch, side stand (Ref #1)
1
Part #5VS-82566-61-00
Болт (Ref #2)
2
Part #92012-05030-00
Nut, U Flange (Ref #3)
3
Part #956-07052-00-00
Включатель сигнала "стоп" (Ref #4)
4
Part #2D1-82530-00-00
Engine Control Unit Assy (Ref #5)
5
Part #3C3-8591A-80-00
Аккумулятор (GS YUASA YTZ14S) (Ref #6)
6
Part #YTZ-14S00-00-00
Крышка (Ref #7)
7
Part #2D1-82129-00-00
Ремень (Ref #8)
8
Part #2D1-82131-00-00
Скоба (Ref #9)
9
Part #5YU-2162A-00-00
Реле стартера (Ref #10)
10
Part #2C0-81940-00-00
Fuse (15A-Blue) (Ref #11)
11
Part #36Y-82151-00-00
Крышка реле (Ref #12)
12
Part #5SL-82119-10-00
Демпфер (Ref #13)
13
Part #2D1-82176-00-00
Болт (Ref #14)
14
Part #95022-06008-00
Wire Harness Assy (Ref #15)
15
Part #1CA-82590-10-00
Wire Harness Assy (Ref #15)
15
Part #1CA-82590-10-00
Wire Harness Assy (Ref #15)
15
Part #1CA-82590-10-00
Wire Harness Assy (Ref #15)
15
Part #1CA-82590-10-00
Предохранитель (50A) (Ref #16)
16
Part #5JW-82151-10-00
Предохранитель (20A) (Ref #17)
17
Part #5JJ-82151-20-00
Fuse (15A-Bl) (Ref #18)
18
Part #67F-82151-50-00
Fuse (10A-Bl) (Ref #19)
19
Part #67F-82151-40-00
Реле-регулятор (Ref #20)
20
Part #1D7-81960-01-00
BOLT (Ref #21)
21
Part #95817-06025-00
Реле (5VK-40) (Ref #22)
22
Part #5VK-81950-41-00
Реле (1ST-00) (Ref #23)
23
Part #1ST-81950-00-00
Крепление реле (Ref #24)
24
Part #5JJ-81952-00-00
Датчик угла (Ref #25)
25
Part #5PS-82576-01-00
Болт (Ref #26)
26
Part #91312-04025-00
Шайба (Ref #27)
27
Part #90201-04030-00
Nut, Spring (Ref #28)
28
Part #90183-04039-00
Main Switch Steering Lock (Ref #29)
29
Part #3C3-82501-10-00
Blank key (Ref #30)
30
Part #4BH-82511-09-00
BOLT (Ref #31)
31
Part #901-09081-96-00
Хомут с фиксатором (Ref #32)
32
Part #90464-10112-00
BAND (Ref #33)
33
Part #1UA-82591-00-00
CLAMP (Ref #34)
34
Part #90464-15195-00
Защита проводки (Ref #35)
35
Part #2D1-82589-00-00
Скоба (Ref #36)
36
Part #90464-12012-00
Провод (минус) (Ref #37)
37
Part #2D1-82116-00-00
Horn (Ref #38)
38
Part #2DV-83371-00-00
Хомут пластмассовый (Ref #39)
39
Part #3MA-82591-00-00
Flasher Relay Assy (Ref #40)
40
Part #4MY-83350-02-00
Реле (1TP-00) (Ref #41)
41
Part #1TP-81950-00-00
Держатель реле (Ref #42)
42
Part #5EA-81952-00-00
Реле (G8HN-1C4T-DJ-Y52) (Ref #43)
43
Part #5DM-81950-01-00
-
62D1-82100-00-00
Аккумулятор (GS YUASA YTZ14S)
1Replaced by YTZ-14S00-00-00 Доступно: Нет в наличии
-
185JJ-82151-10-00
Fuse (15A-Bl)
2Replaced by 67F-82151-50-00 Доступно: Нет в наличии
-
195JJ-82151-30-00
Fuse (10A-Bl)
5Replaced by 67F-82151-40-00 Доступно: Нет в наличии
-
225VK-81950-40-00
Реле (5VK-40)
1Replaced by 5VK-81950-41-00 Доступно: Нет в наличии
-
404MY-83350-01-00
Flasher Relay Assy
1Replaced by 4MY-83350-02-00 Доступно: Нет в наличии
-
435DM-81950-00-00
Реле (G8HN-1C4T-DJ-Y52)
1Replaced by 5DM-81950-01-00 Доступно: Нет в наличии
-
4490464-13077-00
Хомут пластмассовый
1Replaced by 90464-15195-00 Доступно: Нет в наличии
