Электрооборудование 2
Электрооборудование 2
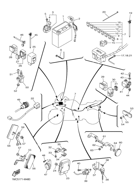
Gt14B4 Gs Battery - (Ref #1)
1
Part #GT1-4B400-00-00
Провод (минус) (Ref #2)
2
Part #1MC-82116-00-00
Реле стартера (RC19-076A) (Ref #3)
3
Part #3D7-81940-00-00
Fuse (30A-Bl) (Ref #4)
4
Part #1AE-82151-00-00
Болт (Ref #5)
5
Part #95022-06008-00
CLAMP (Ref #6)
6
Part #80L-26397-00-00
Wire Harness Assy (Ref #7)
7
Part #1MC-82590-20-00
Wire Harness Assy (Ref #7)
7
Part #1MC-82590-20-00
Wire Harness Assy (Ref #7)
7
Part #1MC-82590-20-00
Wire Harness Assy (Ref #7)
7
Part #1MC-82590-20-00
Предохранитель (1A-BL) (Ref #8)
8
Part #1MC-82151-00-00
Fuse (3A) (Ref #9)
9
Part #67F-82151-30-00
Fuse (7.5A-Bl) (Ref #10)
10
Part #5JJ-82151-00-00
Fuse (10A-Bl) (Ref #11)
11
Part #67F-82151-40-00
Fuse (15A-Bl) (Ref #12)
12
Part #67F-82151-50-00
Предохранитель (20A) (Ref #13)
13
Part #5JJ-82151-20-00
Предохранитель (30A-BL) (Ref #14)
14
Part #5JJ-82151-60-00
Предохранитель (50A) (Ref #15)
15
Part #5JW-82151-10-00
Предохранитель (25A-BL) (Ref #16)
16
Part #5JJ-82151-70-00
BAND (Ref #17)
17
Part #1UA-82591-00-00
Хомут с фиксатором (Ref #19)
19
Part #90464-10112-00
Clamp 1 (Ref #20)
20
Part #5Y9-12491-00-00
CLAMP (Ref #21)
21
Part #90464-15195-00
Провод (Ref #22)
22
Part #1MC-82509-00-00
Реле-регулятор (Ref #23)
23
Part #1D7-81960-01-00
Гайка, самоблокирующаяся (Ref #24)
24
Part #95604-06200-00
Реле (5VK-30) (Ref #25)
25
Part #5VK-81950-31-00
Реле (1ST-00) (Ref #26)
26
Part #1ST-81950-00-00
Крепление реле (Ref #27)
27
Part #5JJ-81952-00-00
Реле (G8HN-1C4T-DJ-Y52) (Ref #28)
28
Part #5DM-81950-01-00
Реле (1TP-00) (Ref #30)
30
Part #1TP-81950-00-00
Держатель реле (Ref #31)
31
Part #5EA-81952-00-00
Крепление (Ref #32)
32
Part #5VS-82729-00-00
BOLT (Ref #33)
33
Part #97017-06012-00
Корпус 1 (Ref #34)
34
Part #5VS-8258J-00-00
Корпус 2 (Ref #35)
35
Part #5VS-8259J-00-00
Включатель сигнала "стоп" (Ref #36)
36
Part #1MC-82530-01-00
Крепление включателя (Ref #37)
37
Part #1MC-2144G-00-00
Винт (Ref #38)
38
Part #98902-05008-00
Включатель сигнал подножки (Ref #39)
39
Part #1MC-82566-01-00
Screw, Pan Head (Ref #40)
40
Part #98507-05016-00
Датчик угла (Ref #41)
41
Part #5PS-82576-01-00
Винт (Ref #42)
42
Part #97702-40025-00
Шайба (Ref #43)
43
Part #90201-04030-00
Гайка (Ref #44)
44
Part #4B4-84334-00-00
Хомут (Ref #46)
46
Part #90464-20213-00
Сигнал звуковой (Ref #47)
47
Part #1MC-83371-00-00
Болт (Ref #48)
48
Part #92012-06010-00
Контакт (Ref #49)
49
Part #3P6-8254B-00-00
Датчик температуры воздуха (Ref #50)
50
Part #5YU-85886-00-00
Болт (Ref #51)
51
Part #920-12050-14-00
Nut, flange (Ref #52)
52
Part #95707-05500-00
REFLECTOR (Ref #53)
53
Part #3Y6-85130-02-00
Гайка U (Ref #54)
54
Part #95617-05100-00
Гайка (Ref #55)
55
Part #90201-05043-00
Катафот (Ref #56)
56
Part #11H-85110-01-00
Катафот (Ref #56)
56
Part #11H-85110-01-00
Катафот (Ref #56)
56
Part #11H-85110-01-00
Катафот (Ref #56)
56
Part #11H-85110-01-00
Крепление светоотражателя левое (Ref #58)
58
Part #3P6-85112-10-00
Крепление светоотражателя правое (Ref #59)
59
Part #3P6-85122-01-00
Светоотражатель (Ref #60)
60
Part #449-85131-02-00
Bracket, License (Ref #61)
61
Part #5JW-84751-00-00
Washer, Plate (Ref #62)
62
Part #90201-06380-00
Гайка U (Ref #63)
63
Part #95617-06100-00
Washer, Plate (Ref #64)
64
Part #90201-061A5-00
-
15EA-82100-11-00
Gt14B4 Gs Battery -
1Replaced by GT1-4B400-00-00 Доступно: Нет в наличии
-
115JJ-82151-30-00
Fuse (10A-Bl)
4Replaced by 67F-82151-40-00 Доступно: Нет в наличии
-
125JJ-82151-10-00
Fuse (15A-Bl)
2Replaced by 67F-82151-50-00 Доступно: Нет в наличии
-
2495602-06200-00
Nut, Self-Locking
2Replaced by 95604-06200-00 Доступно: Нет в наличии
-
255VK-81950-30-00
Реле (5VK-30)
1Replaced by 5VK-81950-31-00 Доступно: Нет в наличии
-
285DM-81950-00-00
Реле (G8HN-1C4T-DJ-Y52)
3Replaced by 5DM-81950-01-00 Доступно: Нет в наличии
-
361MC-82530-00-00
Включатель сигнала "стоп"
1Replaced by 1MC-82530-01-00 Доступно: Нет в наличии
-
391MC-82566-00-00
Включатель сигнал подножки
1Replaced by 1MC-82566-01-00 Доступно: Нет в наличии
-
593P6-85122-00-00
Крепление светоотражателя правое
1Replaced by 3P6-85122-01-00 Доступно: Нет в наличии
