Задняя подвеска
Задняя подвеска
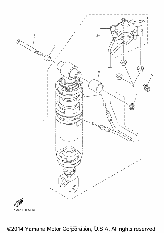
Shock Absorber Assy, Rear (Ref #1)
1
Part #1MC-22210-50-00
Втулка амортизатора (Ref #2)
2
Part #5JW-22216-00-00
Блок управления (Ref #3)
3
Part #1MC-22460-00-00
Болт (Ref #4)
4
Part #901-01120-44-00
Гайка самоконтрящаяся (Ref #5)
5
Part #95602-12200-00
Втулка (Ref #6)
6
Part #90387-12028-00
Гайка, самоблокирующаяся (Ref #7)
7
Part #95604-06200-00
CLAMP (Ref #8)
8
Part #90464-14001-00
-
11MC-22210-10-00
Shock Absorber Assy, Rear
1Replaced by 1MC-22210-50-00 Доступно: Нет в наличии
-
795602-06200-00
Nut, Self-Locking
3Replaced by 95604-06200-00 Доступно: Нет в наличии
