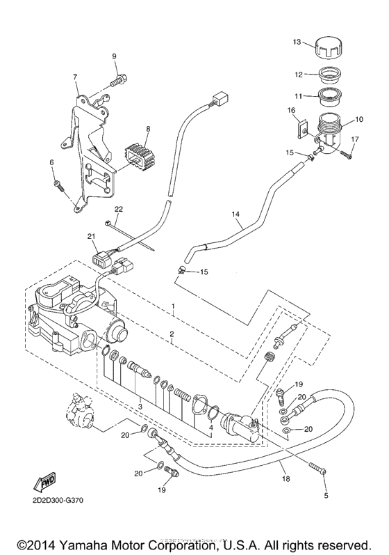
Cluch actuator
Cluch actuator
Мотор привода сцепления (Ref #1)
1
Part #2D2-82460-40-00
Цилиндр сцепления (Ref #2)
2
Part #2D2-W2645-02-00
Детали цилиндра сцепления, комплект (Ref #3)
3
Part #2D2-W0099-10-00
Washer, Needle Valve (Ref #4)
4
Part #93210-25552-00
Винт (Ref #5)
5
Part #901-49061-59-00
Болт (Ref #6)
6
Part #92012-06012-00
STAY (Ref #7)
7
Part #2D2-2117A-00-00
Демпфер 2 (Ref #8)
8
Part #2D2-2139U-00-00
BOLT (Ref #9)
9
Part #901-0508X-15-00
Бачок расширительный (Ref #10)
10
Part #4FM-25894-00-00
Диафрагма (Ref #11)
11
Part #3GK-25854-50-00
Основание диафрагмы (Ref #12)
12
Part #3GK-25855-50-00
Крышка бачка (Ref #13)
13
Part #4FM-25852-00-00
HOSE (Ref #14)
14
Part #2D2-2589E-00-00
CLIP (Ref #15)
15
Part #90467-11044-00
CLIP (Ref #15)
15
Part #90467-11044-00
CLIP (Ref #15)
15
Part #90467-11044-00
CLIP (Ref #15)
15
Part #90467-11044-00
Nut, Spring (Ref #16)
16
Part #90183-06069-00
Screw, With Washer (Ref #17)
17
Part #901-19062-42-00
Hose, clutch (Ref #18)
18
Part #2D2-26470-00-00
Болт соединяющий (Ref #19)
19
Part #90401-10172-00
Болт соединяющий (Ref #19)
19
Part #90401-10172-00
Болт соединяющий (Ref #19)
19
Part #90401-10172-00
Болт соединяющий (Ref #19)
19
Part #90401-10172-00
Clamp 1 (Ref #22)
22
Part #5Y9-12491-00-00
-
12D2-82460-20-00
Cluch Actuator Assy
1Replaced by 2D2-82460-40-00 Доступно: Нет в наличии
-
32D2-W0099-02-00
Cylinder Kit, Master (Clutc
1Replaced by 2D2-W0099-10-00 Доступно: Нет в наличии
-
1790119-06044-00
Screw, With Washer
1Replaced by 901-19062-42-00 Доступно: Нет в наличии
