Электрооборудование 2
Электрооборудование 2
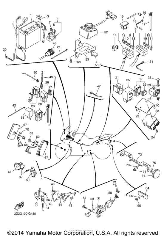
Gt14B4 Gs Battery - (Ref #1)
1
Part #YT1-4BBS0-00-00
Wire, Plus Lead (Ref #2)
2
Part #3P6-82115-00-00
Wire, Minus Lead (Ref #3)
3
Part #3P6-82116-10-00
BAND (Ref #4)
4
Part #1UA-82591-00-00
Реле (Ref #5)
5
Part #3P6-81940-00-00
Fuse (30A-Bl) (Ref #6)
6
Part #1AE-82151-00-00
Болт (Ref #7)
7
Part #95022-06008-00
Wire Harness Assy (Ref #8)
8
Part #2D2-82590-41-00
Fuse (3A) (Ref #9)
9
Part #67F-82151-30-00
Fuse (10A-Bl) (Ref #10)
10
Part #67F-82151-40-00
Fuse (10A-Bl) (Ref #10)
10
Part #67F-82151-40-00
Fuse (10A-Bl) (Ref #10)
10
Part #67F-82151-40-00
Fuse (10A-Bl) (Ref #10)
10
Part #67F-82151-40-00
Fuse (15A-Bl) (Ref #11)
11
Part #67F-82151-50-00
Предохранитель (25A-BL) (Ref #12)
12
Part #5JJ-82151-70-00
Предохранитель (30A-BL) (Ref #13)
13
Part #5JJ-82151-60-00
Предохранитель (50A) (Ref #14)
14
Part #5JW-82151-10-00
Предохранитель (20A) (Ref #15)
15
Part #5JJ-82151-20-00
CLAMP (Ref #16)
16
Part #80L-26397-00-00
Хомут с фиксатором (Ref #17)
17
Part #90464-10112-00
CLAMP (Ref #18)
18
Part #90464-15195-00
Скоба (Ref #19)
19
Part #90464-13185-00
CLAMP (Ref #20)
20
Part #90464-15152-00
Clamp 1 (Ref #21)
21
Part #5Y9-12491-00-00
Реле-регулятор (Ref #22)
22
Part #1D7-81960-01-00
Plate, Rectifier Fitting (Ref #23)
23
Part #3P6-81975-00-00
Гайка, самоблокирующаяся (Ref #24)
24
Part #95604-06200-00
Реле (5VK-30) (Ref #25)
25
Part #5VK-81950-31-00
Relay Assy (5Ea-02) (Ref #26)
26
Part #5EA-81950-20-00
Держатель реле (Ref #27)
27
Part #5EA-81952-00-00
Relay Assy (G8Hn-1C4T-Dj-Y51) (Ref #30)
30
Part #5JJ-81950-10-00
Реле (G8HN-1C4T-DJ-Y52) (Ref #31)
31
Part #5DM-81950-01-00
Стопорный переключатель (Ref #34)
34
Part #3P6-82530-00-00
Stay, stop switch (Ref #35)
35
Part #5JW-2144G-00-00
Винт (Ref #36)
36
Part #98902-05008-00
Датчик угла (Ref #37)
37
Part #5PS-82576-01-00
Винт (Ref #38)
38
Part #97702-40025-00
Шайба (Ref #39)
39
Part #90201-04030-00
Гайка (Ref #40)
40
Part #4B4-84334-00-00
Switch, side stand (Ref #43)
43
Part #5PX-82566-51-00
PLATE (Ref #44)
44
Part #3P6-82388-00-00
DAMPER (Ref #45)
45
Part #999-99038-16-00
Screw, Pan Head (Ref #46)
46
Part #98507-05016-00
Контакт (Ref #48)
48
Part #3P6-8254B-00-00
Датчик забортной температуры (Ref #49)
49
Part #5RU-85700-00-00
CLAMP (Ref #50)
50
Part #90464-24001-00
Блок управления (Ref #52)
52
Part #2D2-85590-00-00
BRACKET (Ref #53)
53
Part #2D2-85542-00-00
Screw, Pan Head (Ref #54)
54
Part #97780-30110-00
Демпфер (Ref #55)
55
Part #5PW-2411J-01-00
Датчик угла (Ref #56)
56
Part #2D2-85888-10-00
Screw, Pan Head With (Ref #57)
57
Part #901-59050-36-00
Wire, Lead (Ref #58)
58
Part #2D2-82583-00-00
Крышка (Ref #59)
59
Part #2D2-82119-10-00
Horn (Ref #60)
60
Part #5PS-83371-00-00
Horn (Ref #61)
61
Part #3P6-83371-00-00
Болт (Ref #62)
62
Part #92012-06012-00
Flasher Relay Assy (Ref #63)
63
Part #3GM-83350-02-00
REFLECTOR (Ref #64)
64
Part #3Y6-85130-02-00
Гайка U (Ref #65)
65
Part #95617-05100-00
Гайка (Ref #66)
66
Part #90201-05043-00
Катафот (Ref #67)
67
Part #11H-85110-01-00
Катафот (Ref #67)
67
Part #11H-85110-01-00
Катафот (Ref #67)
67
Part #11H-85110-01-00
Катафот (Ref #67)
67
Part #11H-85110-01-00
Nut, flange (Ref #68)
68
Part #95707-05500-00
Nut, flange (Ref #68)
68
Part #95707-05500-00
Nut, flange (Ref #68)
68
Part #95707-05500-00
Nut, flange (Ref #68)
68
Part #95707-05500-00
Крепление светоотражателя левое (Ref #69)
69
Part #3P6-85112-10-00
Крепление светоотражателя правое (Ref #70)
70
Part #3P6-85122-01-00
Светоотражатель (Ref #71)
71
Part #449-85131-02-00
Bracket, License (Ref #72)
72
Part #5JW-84751-00-00
Washer, Plate (Ref #73)
73
Part #90201-06380-00
Гайка U (Ref #74)
74
Part #95617-06100-00
Washer, Plate (Ref #75)
75
Part #90201-061A5-00
-
1BTY-YT14B-40-00
Yt14Bbs Yuasa Batte
1Replaced by YT1-4BBS0-00-00 Доступно: Нет в наличии
-
82D2-82590-40-00
Wire Harness Assy
1Replaced by 2D2-82590-41-00 Доступно: Нет в наличии
-
105JJ-82151-30-00
Fuse (10A-Bl)
5Replaced by 67F-82151-40-00 Доступно: Нет в наличии
-
115JJ-82151-10-00
Fuse (15A-Bl)
5Replaced by 67F-82151-50-00 Доступно: Нет в наличии
-
221D7-81960-00-00
Выпрямитель и регулятор
1Replaced by 1D7-81960-01-00 Доступно: Нет в наличии
-
2495602-06200-00
Nut, Self-Locking
2Replaced by 95604-06200-00 Доступно: Нет в наличии
-
255VK-81950-30-00
Реле (5VK-30)
1Replaced by 5VK-81950-31-00 Доступно: Нет в наличии
-
315DM-81950-00-00
Реле (G8HN-1C4T-DJ-Y52)
1Replaced by 5DM-81950-01-00 Доступно: Нет в наличии
-
5497702-30510-00
Screw, Pan Head
2Replaced by 97780-30110-00 Доступно: Нет в наличии
-
5790159-05041-00
Screw, Pan Head With
2Replaced by 901-59050-36-00 Доступно: Нет в наличии
-
633GM-83350-01-00
Flasher Relay Assy
1Replaced by 3GM-83350-02-00 Доступно: Нет в наличии
-
703P6-85122-00-00
Крепление светоотражателя правое
1Replaced by 3P6-85122-01-00 Доступно: Нет в наличии
