Electrical 2
Electrical 2
-
015EA-82100-11-00
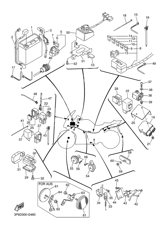
Gt14B4 Gs Battery -
1Replaced by GT1-4B400-00-00 Доступно: Нет в наличии
-
083P6-82590-50-00
Wire Harness Assy
1Replaced by 3P6-82590-51-00 Доступно: Нет в наличии
-
105JJ-82151-30-00
Fuse (10A-Bl)
5Replaced by 67F-82151-40-00 Доступно: Нет в наличии
-
115JJ-82151-10-00
Fuse (15A-Bl)
5Replaced by 67F-82151-50-00 Доступно: Нет в наличии
-
191D7-81960-00-00
Выпрямитель и регулятор
1Replaced by 1D7-81960-01-00 Доступно: Нет в наличии
-
2195602-06200-00
Nut, Self-Locking
2Replaced by 95604-06200-00 Доступно: Нет в наличии
-
225VK-81950-30-00
Реле (5VK-30)
1Replaced by 5VK-81950-31-00 Доступно: Нет в наличии
-
285DM-81950-00-00
Реле (G8HN-1C4T-DJ-Y52)
1Replaced by 5DM-81950-01-00 Доступно: Нет в наличии
-
5297702-30510-00
Screw, Pan Head
2Replaced by 97780-30110-00 Доступно: Нет в наличии
-
573GM-83350-01-00
Flasher Relay Assy
1Replaced by 3GM-83350-02-00 Доступно: Нет в наличии
-
643P6-85122-00-00
Крепление светоотражателя правое
1Replaced by 3P6-85122-01-00 Доступно: Нет в наличии
