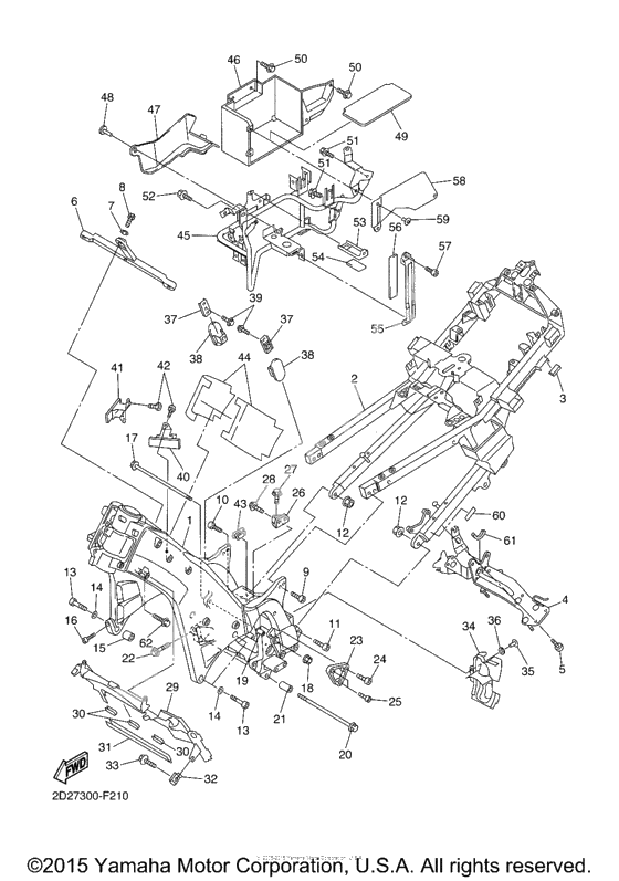
Рама
Рама
Рама (DNMN, тёмно-серая) (Ref #1)
1
Part #3P6-21110-00-00
REAR FRAME COMP. (Ref #2)
2
Part #2D2-21190-21-00
Защита (Ref #3)
3
Part #3P6-21652-00-00
Member 1 (Ref #4)
4
Part #3P6-2115A-00-00
Винт (Ref #5)
5
Part #90149-06302-00
Перекладина (Ref #6)
6
Part #3P6-21119-00-00
Washer, Plate (Ref #7)
7
Part #90201-106F2-00
BOLT (Ref #8)
8
Part #958-17100-30-00
Bolt, Hexagon Socket Head (Ref #10)
10
Part #91314-10030-00
Болт (Ref #11)
11
Part #91314-10035-00
Гайка (Ref #12)
12
Part #956-02102-00-00
Гайка (Ref #12)
12
Part #956-02102-00-00
Гайка (Ref #12)
12
Part #956-02102-00-00
Гайка (Ref #12)
12
Part #956-02102-00-00
Bolt, Hexagon Socket Head (Ref #13)
13
Part #91314-12055-00
Bolt, Hexagon Socket Head (Ref #13)
13
Part #91314-12055-00
Bolt, Hexagon Socket Head (Ref #13)
13
Part #91314-12055-00
Bolt, Hexagon Socket Head (Ref #13)
13
Part #91314-12055-00
Washer, Plate (Ref #14)
14
Part #92907-12600-00
Washer, Plate (Ref #14)
14
Part #92907-12600-00
Washer, Plate (Ref #14)
14
Part #92907-12600-00
Washer, Plate (Ref #14)
14
Part #92907-12600-00
Втулка (Ref #15)
15
Part #90387-1312P-00
Bolt, Hexagon Socket Head (Ref #16)
16
Part #91314-08030-00
Болт (Ref #17)
17
Part #95817-10235-00
Nut, flange (Ref #18)
18
Part #90179-10696-00
Болт регулировки положения двигателя (Ref #19)
19
Part #4C8-21495-00-00
Болт (Ref #20)
20
Part #90105-10781-00
Втулка (Ref #21)
21
Part #90560-10364-00
Болт (Ref #22)
22
Part #95022-08035-00
Крепление двигателя 2 (Ref #23)
23
Part #3P6-21315-00-00
Bolt, Hexagon Socket Head (Ref #24)
24
Part #91314-10020-00
Bolt, Hexagon Socket Head (Ref #25)
25
Part #91314-08016-00
Крепление двигателя 3 (Ref #26)
26
Part #5JW-21316-00-00
Bolt (L=25, P=1.25) (Ref #27)
27
Part #90101-10M05-00
Болт (Ref #28)
28
Part #95814-08020-00
Рамка (Ref #29)
29
Part #3P6-2137Y-00-00
Уплотнение (Ref #30)
30
Part #3P6-21269-00-00
Уплотнение (Ref #30)
30
Part #3P6-21269-00-00
Уплотнение (Ref #30)
30
Part #3P6-21269-00-00
Уплотнение (Ref #30)
30
Part #3P6-21269-00-00
Уплотнение (Ref #31)
31
Part #3P6-21469-00-00
Nut, Spring (Ref #32)
32
Part #90183-06069-00
Bolt, Hexagon (Ref #33)
33
Part #970-17060-25-00
Крышка (Ref #34)
34
Part #2D2-2147J-00-00
Заклёпка (Ref #35)
35
Part #90269-07008-00
Шайба (Ref #36)
36
Part #90202-06058-00
Крепление 3 (Ref #37)
37
Part #5JW-2118U-00-00
Крепление 3 (Ref #37)
37
Part #5JW-2118U-00-00
Крепление 3 (Ref #37)
37
Part #5JW-2118U-00-00
Крепление 3 (Ref #37)
37
Part #5JW-2118U-00-00
Крепление 1 (Ref #38)
38
Part #5JW-2113N-00-00
Крепление 1 (Ref #38)
38
Part #5JW-2113N-00-00
Крепление 1 (Ref #38)
38
Part #5JW-2113N-00-00
Крепление 1 (Ref #38)
38
Part #5JW-2113N-00-00
BOLT (Ref #39)
39
Part #95022-06012-00
Крепление 2 (Ref #40)
40
Part #5JW-2113R-00-00
Крепление 2 (Ref #41)
41
Part #5JW-2113R-10-00
Bolt, Button Head (Ref #42)
42
Part #92017-06014-00
Заглушка (Ref #43)
43
Part #5JW-2143A-00-00
Демпфер (Ref #44)
44
Part #5JW-21852-00-00
Stay 1 (Ref #45)
45
Part #3P6-28321-00-00
Коробка аккамулятора (Ref #46)
46
Part #3P6-2177G-00-00
Guide, Air 3 (Ref #47)
47
Part #3P6-2137K-00-00
Заклёпка (Ref #48)
48
Part #90269-05074-00
Уплотнение аккумулятора (Ref #49)
49
Part #5VX-82122-00-00
Screw, With Washer (Ref #50)
50
Part #90119-06051-00
Screw, With Washer (Ref #50)
50
Part #90119-06051-00
Screw, With Washer (Ref #50)
50
Part #90119-06051-00
Screw, With Washer (Ref #50)
50
Part #90119-06051-00
BOLT (Ref #52)
52
Part #95817-06014-00
Крепление 2 (Ref #53)
53
Part #5JW-28357-01-00
Демпфер 3 (Ref #54)
54
Part #5JW-28425-00-00
Крепление 3 (Ref #55)
55
Part #5JW-28358-00-00
Демпфер 4 (Ref #56)
56
Part #5JW-28435-00-00
BOLT (Ref #57)
57
Part #91317-06012-00
COVER (Ref #58)
58
Part #5JW-2172W-00-00
RIVET (Ref #59)
59
Part #90269-06001-00
Наклейка (Ref #60)
60
Part #5JW-2151A-02-00
Mold, fuel tank (Ref #61)
61
Part #1HX-24188-01-00
BOLT (Ref #62)
62
Part #95027-06010-00
-
22D2-21190-20-00
REAR FRAME COMP.
1Replaced by 2D2-21190-21-00 Доступно: Нет в наличии
-
195EB-21495-00-00
Болт регулятора
1Replaced by 4C8-21495-00-00 Доступно: Нет в наличии
-
3390119-06172-00
Screw, With Washer
1Replaced by 970-17060-25-00 Доступно: Нет в наличии
-
5791312-06012-00
Bolt, Hext. Socket Head
1Replaced by 91317-06012-00 Доступно: Нет в наличии
-
613VD-24188-00-00
Mold, fuel tank
1Replaced by 1HX-24188-01-00 Доступно: Нет в наличии
