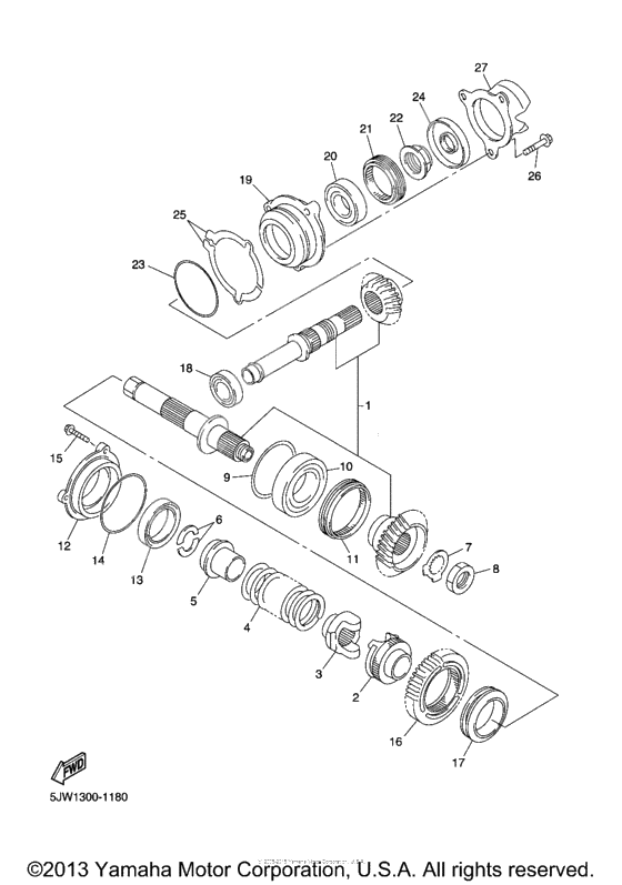
Middle drive gear
Middle drive gear
Валы с шестернями, комплект (Ref #1)
1
Part #5JW-W1751-00-00
Храповик ведущий (Ref #2)
2
Part #5JW-17526-00-00
Храповик ведомый (Ref #3)
3
Part #5JW-17527-00-00
Spring, Compression (Ref #4)
4
Part #90501-75638-00
Втулка (основание пружины) (Ref #5)
5
Part #5JW-17524-00-00
Шайба (Ref #6)
6
Part #90209-21281-00
Шайба контровочная (Ref #7)
7
Part #90215-27003-00
Гайка (Ref #8)
8
Part #901-79220-30-00
Шайба поршня (Ref #9)
9
Part #4X7-17531-00-15
Шайба поршня (Ref #9)
9
Part #4X7-17531-00-30
Шайба поршня (Ref #9)
9
Part #4X7-17531-00-50
BEARING (Ref #10)
10
Part #93306-20901-00
Nut, flange (Ref #11)
11
Part #90179-88336-00
Копрус подшипника (Ref #12)
12
Part #5JW-17521-00-00
Подшипник (Ref #13)
13
Part #93306-90901-00
Кольцо уплотнительное (Ref #14)
14
Part #932-10847-24-00
Болт (Ref #15)
15
Part #90109-06015-00
Gear, Middle Driven (35T) (Ref #16)
16
Part #5JW-17583-00-00
Втулка (Ref #17)
17
Part #90387-53001-00
Подшипник шестерни заднего хода (Ref #18)
18
Part #933-06005-19-00
Корпус подшипника (Ref #19)
19
Part #5JW-17551-00-00
Подшипник (Ref #20)
20
Part #93306-20636-00
Гайка (Ref #21)
21
Part #90179-68001-00
Nut, flange (Ref #22)
22
Part #90179-28001-00
Кольцо уплотнительное (Ref #23)
23
Part #93210-76546-00
Сальник (Ref #24)
24
Part #93102-25004-00
Шайба регулировочная (0.10T) (Ref #25)
25
Part #5JW-17531-00-00
Шайба регулировочная (0.20T) (Ref #25)
25
Part #5JW-17531-20-00
Шайба регулировочная (0.15T) (Ref #25)
25
Part #5JW-17531-10-00
Шайба регулировочная (0.30T) (Ref #25)
25
Part #5JW-17531-30-00
Шайба регулировочная (0.50T) (Ref #25)
25
Part #5JW-17531-50-00
Шайба регулировочная (0.40T) (Ref #25)
25
Part #5JW-17531-40-00
BOLT (Ref #26)
26
Part #95817-08035-00
Крышка (Ref #27)
27
Part #1MC-17538-00-00
-
2690105-08038-00
Screw, With Washer
3Replaced by 95817-08035-00 Доступно: Нет в наличии
