Electrical 2
Electrical 2
-
015EA-82100-11-00
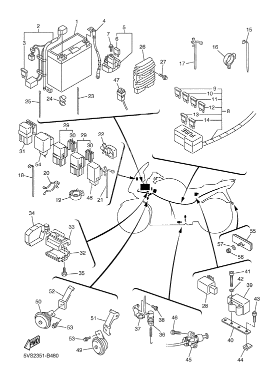
Gt14B4 Gs Battery -
1Replaced by GT1-4B400-00-00 Доступно: Нет в наличии
-
105JJ-82151-30-00
Fuse (10A-Bl)
4Replaced by 67F-82151-40-00 Доступно: Нет в наличии
-
115JJ-82151-10-00
Fuse (15A-Bl)
3Replaced by 67F-82151-50-00 Доступно: Нет в наличии
-
315DM-81950-00-00
Реле (G8HN-1C4T-DJ-Y52)
1Replaced by 5DM-81950-01-00 Доступно: Нет в наличии
-
455VS-82566-60-00
Switch, side stand
1Replaced by 5VS-82566-61-00 Доступно: Нет в наличии
-
543GM-83350-01-00
Flasher Relay Assy
1Replaced by 3GM-83350-02-00 Доступно: Нет в наличии
