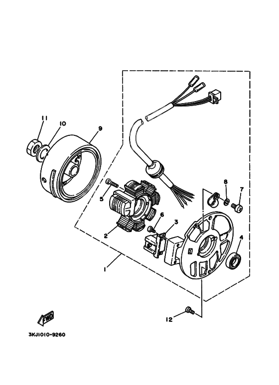
Generators
Generators
. HOUSING, OIL SEAL (Ref #1)
1
Part #3KJ-85560-00-00
Stator comp (Ref #2)
2
Part #2JA-81403-M0-00
Coil, Pulser (Ref #3)
3
Part #2JA-85580-M0-00
Oil seal (Ref #4)
4
Part #93104-19097-00
Screw, Pan Head (Ref #5)
5
Part #98517-05020-00
Screw, Pan Head (Ref #6)
6
Part #97885-05010-00
Screw, Pan Head (Ref #7)
7
Part #98517-04006-00
Washer, Plate (Ref #8)
8
Part #92990-04100-00
ROTOR ASSY (Ref #9)
9
Part #2JA-85550-02-00
Washer, Plate (Ref #10)
10
Part #92907-10600-00
Nut, flange (Ref #11)
11
Part #90170-10011-00
Screw, Pan Head (Ref #12)
12
Part #98507-06016-00
