Электрооборудование 2
Электрооборудование 2
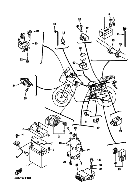
Аккумулятор (GS GT12B-4) (Ref #1)
1
Part #GT1-2B400-00-00
Реле стартера (Ref #2)
2
Part #4BH-81940-02-00
Fuse (30A-Bl) (Ref #3)
3
Part #1AE-82151-00-00
BOLT (Ref #4)
4
Part #95027-06008-00
Провод (плюс) (Ref #5)
5
Part #5VX-82115-00-00
Крышка аккумулятора (Ref #6)
6
Part #5VX-2124E-00-00
Демпфер (Ref #7)
7
Part #5VX-82123-00-00
Wire Harness Assy (Ref #9)
9
Part #4S8-82590-20-00
Fuse (10A-Bl) (Ref #10)
10
Part #67F-82151-40-00
Предохранитель (20A) (Ref #11)
11
Part #5JJ-82151-20-00
Clamp (3Y2) (Ref #12)
12
Part #90464-16039-00
CLAMP (Ref #13)
13
Part #90464-15195-00
Хомут с фиксатором (Ref #14)
14
Part #90464-10112-00
Скоба (Ref #15)
15
Part #90464-16006-00
CLAMP (Ref #16)
16
Part #90464-15192-00
CLAMP (Ref #17)
17
Part #90464-16001-00
Крепление регулятора (Ref #18)
18
Part #5VX-2128A-00-00
Реле-регулятор (Ref #19)
19
Part #5VX-81960-00-00
BOLT (Ref #20)
20
Part #95817-06020-00
Nut, flange (Ref #21)
21
Part #95707-06500-00
Втулка демпфирующая (Ref #22)
22
Part #90480-11005-00
CLAMP (Ref #23)
23
Part #90464-13249-00
Реле (5VK-30) (Ref #24)
24
Part #5VK-81950-31-00
Relay Assy (5Ea-02) (Ref #25)
25
Part #5EA-81950-20-00
Держатель реле (Ref #26)
26
Part #5EA-81952-00-00
Датчик угла (Ref #27)
27
Part #5PS-82576-01-00
BOLT (Ref #28)
28
Part #91317-04025-00
Washer, Plate (Ref #29)
29
Part #90201-047A2-00
Main Switch Steering Lock (Ref #30)
30
Part #5VX-82501-11-00
Blank key (Ref #31)
31
Part #4BH-82511-09-00
BOLT (Ref #32)
32
Part #901-09081-96-00
Реле сигналов поворота (Ref #33)
33
Part #4VR-83350-00-00
Сигнал звуковой (Ref #34)
34
Part #5VX-83371-01-00
BOLT (Ref #35)
35
Part #95817-06010-00
Engine Control Unit Assy (Ref #36)
36
Part #4S8-8591A-10-00
Болт (Ref #37)
37
Part #90109-06055-00
Демпфер (Ref #38)
38
Part #5VX-21778-00-00
Шайба (Ref #39)
39
Part #90202-08205-00
Демпфер (Ref #40)
40
Part #4VR-8338V-00-00
Скоба (Ref #41)
41
Part #90464-24230-00
-
14TX-82100-02-00
Аккумулятор (GS GT12B-4)
1Replaced by GT1-2B400-00-00 Доступно: Нет в наличии
-
105JJ-82151-30-00
Fuse (10A-Bl)
6Replaced by 67F-82151-40-00 Доступно: Нет в наличии
-
1390464-13077-00
Хомут пластмассовый
1Replaced by 90464-15195-00 Доступно: Нет в наличии
-
245VK-81950-30-00
Реле (5VK-30)
1Replaced by 5VK-81950-31-00 Доступно: Нет в наличии
