Передний тормозной цилиндр
Передний тормозной цилиндр
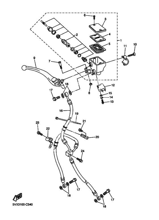
Главный цилиндр (Ref #1)
1
Part #5VS-W2587-00-00
Комплект главного цилиндра (Ref #2)
2
Part #2D1-25807-00-00
Стакан резервуара (Ref #3)
3
Part #5VS-25852-00-00
Втулка диафрагмы (Ref #4)
4
Part #5VS-25855-00-00
Diaphragm, Reservoir (Ref #5)
5
Part #20S-25854-00-00
BOLT (Ref #6)
6
Part #5VS-2589H-00-00
BOLT (Ref #7)
7
Part #5VS-2589F-00-00
Гайка U (Ref #8)
8
Part #95617-06100-00
Lever 2 (Ref #9)
9
Part #5VS-83922-00-00
BOLT (Ref #10)
10
Part #5VS-26332-00-00
Bracket, Master Cylinder (Ref #11)
11
Part #5VS-25867-00-00
Front Stop Switch Assy (Ref #12)
12
Part #4HM-83980-00-00
Screw, Pan Head (Ref #13)
13
Part #98517-04012-00
Washer, Plate (Ref #14)
14
Part #92990-04100-00
Washer, Plate (Ref #15)
15
Part #92990-04600-00
Шланг тормозной 1 (Ref #16)
16
Part #5VX-25872-00-00
Крепление шланга 2 (Ref #20)
20
Part #5SL-25876-00-00
BOLT (Ref #21)
21
Part #95817-06010-00
Крепление шланга (Ref #22)
22
Part #5VX-25875-10-00
BOLT (Ref #23)
23
Part #90105-060A0-00
BOLT (Ref #24)
24
Part #95027-06030-00
-
25VS-W0041-00-00
Комплект главного цилиндра
1Replaced by 2D1-25807-00-00 Доступно: Нет в наличии
-
55VS-25854-00-00
Diaphragm, Reservoir
1Replaced by 20S-25854-00-00 Доступно: Нет в наличии
-
1398502-04012-00
Screw, Pan Head
1Replaced by 98517-04012-00 Доступно: Нет в наличии
