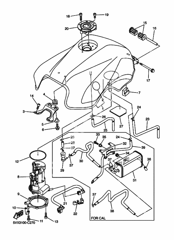
Топливный бак
Топливный бак
Бак топливный (S3, серебристый) (Ref #1)
1
Part #5VX-Y2410-30-01
Наклейка (Ref #2)
2
Part #5VX-2411B-00-00
Крепление бака 1 (Ref #3)
3
Part #5VX-24191-00-00
Втулка демпфирующая (Ref #4)
4
Part #90480-15005-00
Втулка (Ref #5)
5
Part #90387-06068-00
Болт с шайбой (Ref #6)
6
Part #901-19062-34-00
Демпфер (Ref #7)
7
Part #5VX-24183-00-00
Насос топливный (Ref #8)
8
Part #5VX-13907-03-00
Крепление насоса (Ref #9)
9
Part #5SL-24491-00-00
Крепление бака 2 (Ref #10)
10
Part #5PW-24192-00-00
Screw, Pan Head (Ref #11)
11
Part #98907-05008-00
Кольцо уплотнительное (Ref #12)
12
Part #19B-24486-01-00
Болт-фиксатор (Ref #13)
13
Part #90110-05014-00
Болт (Ref #14)
14
Part #90110-06079-00
Демпфер 1 (Ref #15)
15
Part #5VX-24181-00-00
Втулка (Ref #16)
16
Part #90387-061W6-00
Болт (Ref #17)
17
Part #95817-06090-00
Bolt, Hexagon (Ref #18)
18
Part #90110-05112-00
BOLT (Ref #19)
19
Part #91317-05010-00
Cap assy (Ref #20)
20
Part #39P-24602-00-00
Трубка 1 (Ref #21)
21
Part #5VX-13971-00-00
Хомут (Ref #22)
22
Part #90464-16005-00
Трубка (Ref #23)
23
Part #90445-10033-00
CLIP (Ref #24)
24
Part #90467-11106-00
CLIP (Ref #24)
24
Part #90467-11106-00
CLIP (Ref #24)
24
Part #90467-11106-00
CLIP (Ref #24)
24
Part #90467-11106-00
Трубка (L650) (Ref #25)
25
Part #90445-105K7-00
Защита бака (Ref #27)
27
Part #5VX-24141-00-00
-
85VX-13907-02-00
Насос топливный
1Replaced by 5VX-13907-03-00 Доступно: Нет в наличии
-
85VX-13907-01-00
Насос топливный
1Replaced by 5VX-13907-02-00 Доступно: Нет в наличии
-
125JW-24486-00-00
Washer, Needle Valve
1Replaced by 19B-24486-01-00 Доступно: Нет в наличии
