Frame comp
Frame comp
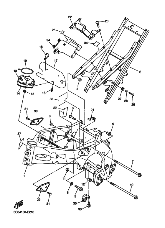
Рама (чёрная) (Ref #1)
1
Part #2D1-21110-03-P0
Рама (чёрная) (Ref #1)
1
Part #2D1-21110-03-P0
Рама (чёрная) (Ref #1)
1
Part #2D1-21110-03-P0
Рама (чёрная) (Ref #1)
1
Part #2D1-21110-03-P0
Рама, задняя часть (чёрная) (Ref #2)
2
Part #2D1-21190-01-P0
Винт (Ref #3)
3
Part #90157-10001-00
Гайка, самоблокирующаяся (Ref #4)
4
Part #90185-10170-00
Болт (Ref #5)
5
Part #95024-10040-00
Washer, Plate (Ref #6)
6
Part #90201-10008-00
Болт (Ref #7)
7
Part #90110-10005-00
Nut, flange (Ref #8)
8
Part #90179-10696-00
Болт регулировки положения двигателя (Ref #9)
9
Part #4C8-21495-00-00
Крышка 3 (Ref #13)
13
Part #2D1-2117N-00-00
Демпфер (Ref #14)
14
Part #2D1-2174Y-00-00
GROMMET (Ref #15)
15
Part #90480-01333-00
RIVET (Ref #16)
16
Part #90269-06001-00
Защита (Ref #17)
17
Part #2D1-2117G-00-00
BAND (Ref #18)
18
Part #1UA-82591-00-00
Ремень (резинка) крепления инструментов (Ref #19)
19
Part #3YX-21376-00-00
Демпфер 4 (Ref #20)
20
Part #2D1-24184-00-00
Демпфер 5 (Ref #21)
21
Part #2D1-24185-00-00
Крепление (Ref #22)
22
Part #2D1-21345-01-00
Винт (Ref #23)
23
Part #901-49060-29-00
Крепление регулятора (Ref #24)
24
Part #2D1-21287-01-00
Демпфер (Ref #25)
25
Part #5YU-21639-00-00
Болт (Ref #26)
26
Part #92017-06020-00
Втулка демпфирующая (Ref #27)
27
Part #90480-14013-00
Втулка (Ref #28)
28
Part #90387-06026-00
Крышка 1 (Ref #29)
29
Part #2D1-24129-00-00
Крышка 2 (Ref #30)
30
Part #2D1-24139-00-00
Заклёпка (Ref #31)
31
Part #90269-06003-00
Заклёпка (Ref #31)
31
Part #90269-06003-00
Заклёпка (Ref #31)
31
Part #90269-06003-00
Заклёпка (Ref #31)
31
Part #90269-06003-00
Демпфер (Ref #32)
32
Part #4PX-23426-00-00
Уплотнение 1 (Ref #33)
33
Part #2D1-21575-00-00
Уплотнение (Ref #34)
34
Part #2D1-21268-10-00
Крепление подножки 2 (Ref #35)
35
Part #2D1-27425-02-00
BOLT (Ref #36)
36
Part #901-0508X-15-00
-
22D1-21190-00-P0
REAR FRAME COMP.
1Replaced by 2D1-21190-01-P0 Доступно: Нет в наличии
-
495604-10200-00
Гайка, самоблокирующаяся
4Replaced by 90185-10170-00 Доступно: Нет в наличии
-
95EB-21495-00-00
Болт регулятора
1Replaced by 4C8-21495-00-00 Доступно: Нет в наличии
-
242D1-21287-00-00
Кронштейн регулятора
1Replaced by 2D1-21287-01-00 Доступно: Нет в наличии
-
352D1-27425-01-00
Кронштейн подножки 2
1Replaced by 2D1-27425-02-00 Доступно: Нет в наличии
