Трансмиссия
Трансмиссия
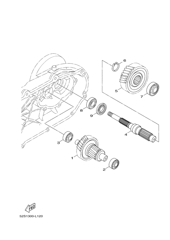
Главная ось (Ref #1)
1
Part #52S-E7410-01-00
Bearing (Ref #2)
2
Part #933-06302-YG-00
BEARING (Ref #3)
3
Part #933-06302-YK-00
Gear, 1St Wheel (Ref #5)
5
Part #52S-E7211-01-00
Circlip (Ref #6)
6
Part #99009-25400-00
Bearing (Ref #7)
7
Part #933-06303-YF-00
Bearing (Ref #8)
8
Part #933-06255-Y0-00
Сальник (Ref #9)
9
Part #931-02328-05-00
