Carburetor (Dr200Sl6 E03)
Carburetor (Dr200Sl6 E03)
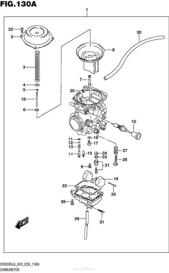
CARBURETOR ASSY (Ref #1)
1
Part #13200-42AC2-000
COVER,DIAPHRAGM (Ref #2)
2
Part #13502-42A00-000
Пружина (Ref #3)
3
Part #13417-42A00-000
Ring (Ref #4)
4
Part #13382-42A00-000
Clip (Ref #5)
5
Part #13394-10010-000
Ring (Ref #6)
6
Part #13387-47010-000
Жиклер игольчатый (Ref #7)
7
Part #09494-00881-000
Diaphragm assy (Ref #8)
8
Part #13500-42A00-000
Болт (Ref #9)
9
Part #13602-43410-000
BLEEDER (Ref #10)
10
Part #13411-42A20-000
O RING,PILOT AIR SCREW (Ref #11)
11
Part #13295-29901-000
Шайба (Ref #12)
12
Part #13291-29900-000
Пружина (Ref #13)
13
Part #13268-47070-000
Винт топливный (Ref #14)
14
Part #13279-47070-000
Жиклер (Ref #15)
15
Part #09492-35008-000
Шайба (Ref #16)
16
Part #13382-03110-000
Жиклер главный (Ref #17)
17
Part #09491-25010-000
Жиклер (Ref #18)
18
Part #13383-42AC0-000
Поплавок (Ref #19)
19
Part #13250-42A00-000
PIN,FLOAT (Ref #20)
20
Part #13254-92311-000
Клапан (Ref #21)
21
Part #13370-44500-000
O RING,FLOAT CHAMBER (Ref #22)
22
Part #13251-42A00-000
O RING,NEEDLE VALVE SEAT (Ref #23)
23
Part #13374-35C00-000
Filter (Ref #24)
24
Part #13376-19F00-000
JET,AIR(135) (Ref #25)
25
Part #09493-27001-000
Болт (Ref #26)
26
Part #02112-0412A-000
Пружина (Ref #27)
27
Part #13268-37420-000
Регулятор (Ref #28)
28
Part #13267-25D00-000
Шланг смазки (Ref #29)
29
Part #09355-30705-600
Шланг топливный (Ref #30)
30
Part #44420-44AR0-000
Заглушка дренажная (Ref #31)
31
Part #13247-02340-000
Болт (Ref #32)
32
Part #02112-0408A-000
-
1113295-29900-000
O RING,PILOT AIR SCREW
1Replaced by 13295-29901-000 Доступно: Нет в наличии
-
-
Цена: 670.00 р.
Доступно: 0
-
