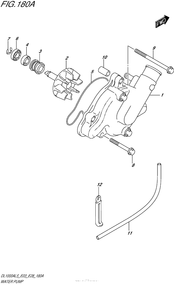
Водяной насос
Водяной насос
Case,water pump (Ref #1)
1
Part #17410-31J10-000
Импеллер (Ref #2)
2
Part #17491-16G00-000
Валик (Ref #3)
3
Part #17470-02F11-000
SEAL,OIL(10X20X5) (Ref #4)
4
Part #09283-10005-000
O RING,WATER PUMP CASE (Ref #5)
5
Part #17435-02F00-000
BEARING(10X22X5) (Ref #6)
6
Part #09262-10016-000
E ring (Ref #7)
7
Part #08332-1108A-000
Болт (Ref #8)
8
Part #09103-06213-000
BOLT(6X65) (Ref #9)
9
Part #09103-06239-000
Pin (Ref #10)
10
Part #04211-09149-000
HOSE(4.2X7X600) (Ref #11)
11
Part #09352-42704-600
Струбцина катушки (Ref #12)
12
Part #09404-06429-000
-
-
Цена: 3 740.00 р.
Доступно: 2
-
-
-
Цена: 2 730.00 р.
Доступно: 3
-
-
-
Цена: 290.00 р.
Доступно: 5
-
-
-
Цена: 750.00 р.
Доступно: 6
-
-
1109352-42703-600
HOSE(4.2X7X600)
1Replaced by 09352-42704-600 Доступно: Нет в наличии
