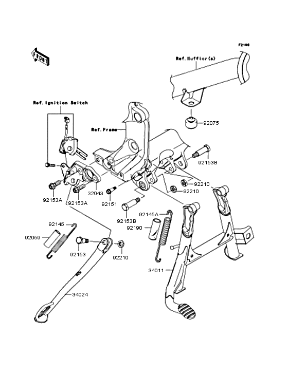
Stand s
Stand s
ブラケツト(スタンド),サイド,ブラツク (Ref #32043)
32043
Part #32043-0070-18R
スタンド(センタ) (Ref #34011)
34011
Part #34011-0016
スタンド(サイド),ブラツク (Ref #34024)
34024
Part #34024-0033-18R
Туба,14X17X50 (Ref #92059)
92059
Part #92059-1961
Damper rubb-main stnd (Ref #92075)
92075
Part #92075-015
SPRING-BRUSH (Ref #92145A)
92145A
Part #92145-1550
SPRING-BRUSH (Ref #92145)
92145
Part #92145-0562
ボルト,6mm (Ref #92151)
92151
Part #92151-1295
ボルト,サイド スタンド,10mm (Ref #92153)
92153
Part #92153-1416
ボルト,フランジ,10x28 (Ref #92153A)
92153A
Part #92153-1417
ボルト,フランジ,10x28 (Ref #92153A)
92153A
Part #92153-1417
ボルト,フランジ,10x28 (Ref #92153A)
92153A
Part #92153-1417
ボルト,フランジ,10x28 (Ref #92153A)
92153A
Part #92153-1417
ボルト,センタ スタンド,10mm (Ref #92153B)
92153B
Part #92153-1593
ボルト,センタ スタンド,10mm (Ref #92153B)
92153B
Part #92153-1593
ボルト,センタ スタンド,10mm (Ref #92153B)
92153B
Part #92153-1593
ボルト,センタ スタンド,10mm (Ref #92153B)
92153B
Part #92153-1593
Tube,16.5x20.5x55 (Ref #92190)
92190
Part #92190-1462
-
-
-
-
-
-
Цена: 0.00 р.
Доступно: 0
-
-
-
-
-
-
-
-
-
Цена: 1 130.00 р.
Доступно: 5
-
-
-
-
-
-
-
-
-
-
-
-
-
Цена: 0.00 р.
Доступно: 0
-
