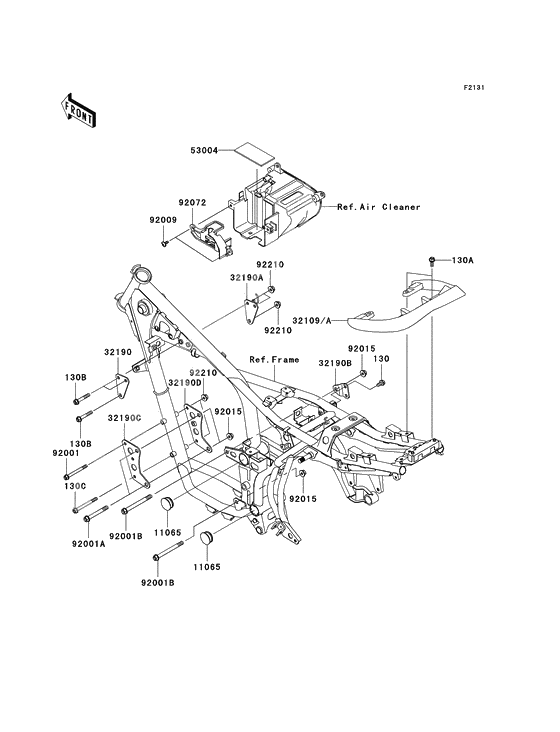
Frame fittings
Frame fittings
Болт ,8X50 (Ref #130B)
130B
Part #130BB0850
Болт ,8X50 (Ref #130B)
130B
Part #130BB0850
Болт ,8X50 (Ref #130B)
130B
Part #130BB0850
Болт ,8X50 (Ref #130B)
130B
Part #130BB0850
Bolt-flanged,8x85 (Ref #130C)
130C
Part #130BB0885
ボルト(ツバツキ),8x20 (Ref #130A)
130A
Part #130BB0820
ボルト(ツバツキ),8x16 (Ref #130)
130
Part #130BB0816
CAP (Ref #11065)
11065
Part #11065-1243
CAP (Ref #11065)
11065
Part #11065-1243
CAP (Ref #11065)
11065
Part #11065-1243
CAP (Ref #11065)
11065
Part #11065-1243
Grip-frame,f.red (Ref #32109A)
32109A
Part #32109-0002-853
Bracket-engine,fr,lh (Ref #32190C)
32190C
Part #32190-1273
Bracket-engine,fr,rh (Ref #32190D)
32190D
Part #32190-1274
Bracket-engine,head,l (Ref #32190)
32190
Part #32190-0039
Bracket-engine,head,r (Ref #32190A)
32190A
Part #32190-0040
Bracket-engine,rr,upp (Ref #32190B)
32190B
Part #32190-1271
Прокладка аккумулятора (Ref #53004)
53004
Part #53004-0001
Болт,10X80 (Ref #92001A)
92001A
Part #92001-1709
Bolt,flanged,8x80,bla (Ref #92001)
92001
Part #92150-1808
Bolt,flanged,10x105,b (Ref #92001B)
92001B
Part #92001-1751
Bolt,flanged,10x105,b (Ref #92001B)
92001B
Part #92001-1751
Bolt,flanged,10x105,b (Ref #92001B)
92001B
Part #92001-1751
Bolt,flanged,10x105,b (Ref #92001B)
92001B
Part #92001-1751
Bolt-flanged (Ref #92009)
92009
Part #92009-1694
バンド,バツテリ (Ref #92072)
92072
Part #92072-0022
-
-
-
-
Цена: 0.00 р.
Доступно: 0
-
-
9200192001-1640
Bolt,flanged,8x80,bla
1Replaced by 92150-1808 Доступно: Нет в наличии
-
-
-
-
Цена: 0.00 р.
Доступно: 0
-
-
-
Цена: 0.00 р.
Доступно: 0
-
-
-
Цена: 0.00 р.
Доступно: 0
-
