Frame
Frame
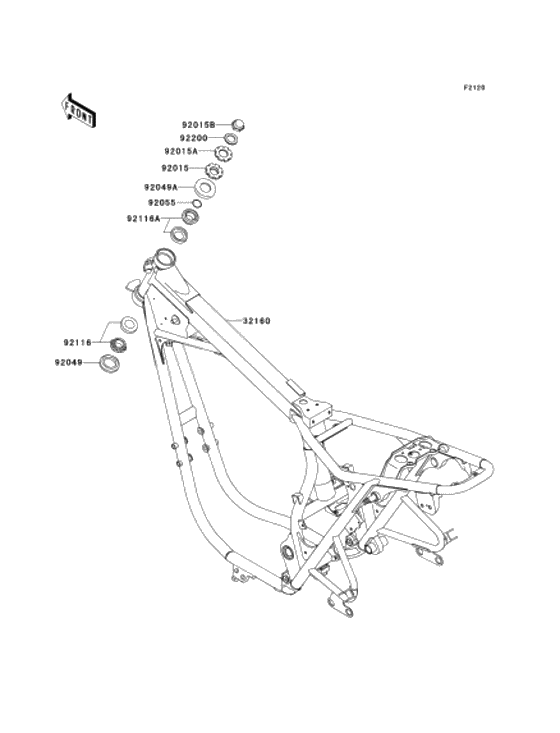
フレ-ムコンプ (Ref #32160)
32160
Part #32160-1708
NUT (Ref #92015)
92015
Part #92015-1803
Гайка,25MM (Ref #92015A)
92015A
Part #92015-1810
Nut,cap,22mm (Ref #92015B)
92015B
Part #92015-1873
SEAL-OIL,XMHE36X52X4J (Ref #92049)
92049
Part #92049-1162
SEAL-OIL,STEERING STEM (Ref #92049A)
92049A
Part #92049-1214
RING-O,ID=24.5 (Ref #92055)
92055
Part #92055-1459
BEARING-ROLLER,HR320/28XJ (Ref #92116)
92116
Part #92116-1009
BEARING-ROLLER,HI-CAP32005JR-1 (Ref #92116A)
92116A
Part #92116-1056
ワツシヤ,22.5x36x3.2 (Ref #92200)
92200
Part #92200-0134
-
-
-
-
-
-
Цена: 0.00 р.
Доступно: 0
-
-
-
Цена: 0.00 р.
Доступно: 0
-
-
-
Цена: 0.00 р.
Доступно: 0
-
-
-
-
-
Цена: 0.00 р.
Доступно: 0
-
-
-
-
-
