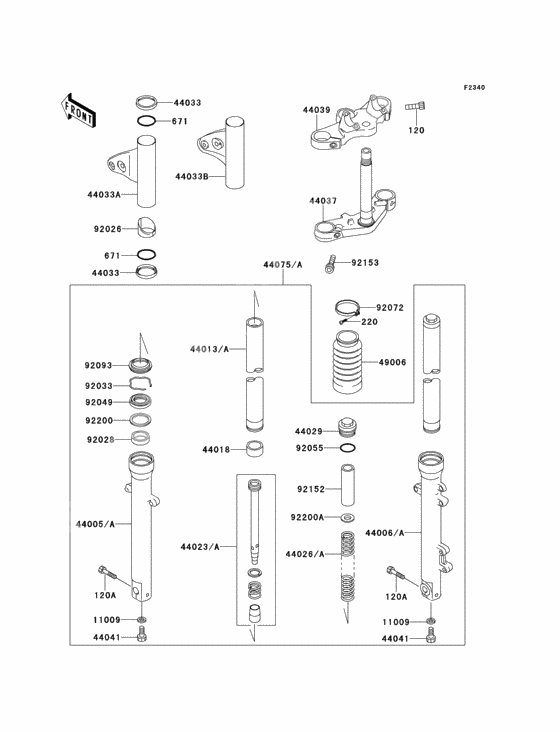
Front fork
Front fork
-
-
-
-
-
-
-
-
-
-
-
-
-
-
Цена: 490.00 р.
Доступно: 0
-
-
-
Цена: 0.00 р.
Доступно: 0
-
-
-
Цена: 0.00 р.
Доступно: 0
-
-
-
-
-
-
-
-
-
-
-
-
-
Цена: 500.00 р.
Доступно: 2
-
-
-
Цена: 0.00 р.
Доступно: 0
-
-
-
-
-
Цена: 0.00 р.
Доступно: 0
-
-
-
Цена: 0.00 р.
Доступно: 0
-
-
-
-
-
-
-
-
-
