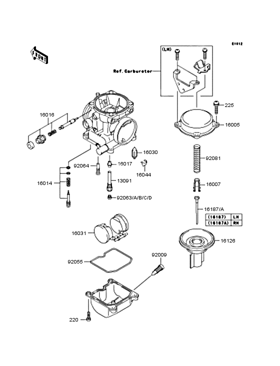
Carburetor parts
Carburetor parts
SCREW-PAN-CROSS (Ref #220)
220
Part #220AA0414
SCREW-PAN-CROSS (Ref #225)
225
Part #225AB0418
HOLDER (Ref #13091)
13091
Part #13091-1713
TOP-CHAMBER,MIXING (Ref #16005)
16005
Part #16005-1056
SEAT-SPRING,THROTTLE VALVE (Ref #16007)
16007
Part #16007-1120
SCREW-PAN-CROSS (Ref #16014)
16014
Part #16014-1081
PLUNGER (Ref #16016)
16016
Part #16016-1090
Жиклер игольчатый,#6 (Ref #16017)
16017
Part #16017-1417
VALVE-FLOAT (Ref #16030)
16030
Part #16030-1007
FLOAT (Ref #16031)
16031
Part #16031-1077
CLAMP,FLOAT VALVE (Ref #16044)
16044
Part #16044-007
バルブ,スロツトル (Ref #16126)
16126
Part #16126-1200
SCREW,DRAIN,6X0.75 (Ref #92009)
92009
Part #92009-1551
RING-O,FLOAT CHAMBER (Ref #92055)
92055
Part #92055-1222
ジエツト(パイロツト),#38 (Ref #92064)
92064
Part #92064-1234
SPRING,VACUUM VALVE (Ref #92081)
92081
Part #92081-1925
-
-
-
-
-
-
-
-
Цена: 0.00 р.
Доступно: 0
-
-
-
-
-
-
-
Цена: 0.00 р.
Доступно: 0
-
-
-
-
-
-
-
-
-
-
-
Цена: 1 640.00 р.
Доступно: 5
-
-
-
-
-
Цена: 0.00 р.
Доступно: 0
-
-
-
Цена: 0.00 р.
Доступно: 0
-
-
-
