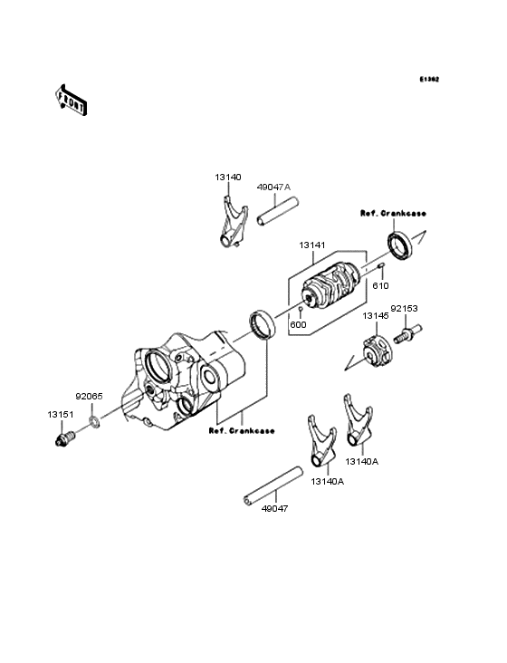
Gear change drum & forks
Gear change drum & forks
BALL-STEEL,7/32" (Ref #600)
600
Part #600A0700
ROLLER,4X8 (Ref #610)
610
Part #610A0408
フオ-ク(シフト),アウト (Ref #13140A)
13140A
Part #13140-0057
フオ-ク(シフト),アウト (Ref #13140A)
13140A
Part #13140-0057
フオ-ク(シフト),アウト (Ref #13140A)
13140A
Part #13140-0057
フオ-ク(シフト),アウト (Ref #13140A)
13140A
Part #13140-0057
フオ-ク(シフト),イン (Ref #13140)
13140
Part #13140-0056
ドラム(チエンジ) (Ref #13141)
13141
Part #13141-0052
Вал (Ref #13145)
13145
Part #13145-0031
Switch-assy-ignition (Ref #13151)
13151
Part #13151-0006
ROD (Ref #49047)
49047
Part #49047-0003
ROD (Ref #49047A)
49047A
Part #49047-0004
GASKET,10.5X16X1 (Ref #92065)
92065
Part #92065-058
BOLT (Ref #92153)
92153
Part #92154-1883
-
-
-
-
Цена: 9 000.00 р.
Доступно: 3
-
-
-
Цена: 9 100.00 р.
Доступно: 1
-
-
-
Цена: 5 510.00 р.
Доступно: 1
-
-
-
Цена: 140.00 р.
Доступно: 0
-
-
-
Цена: 980.00 р.
Доступно: 1
-
