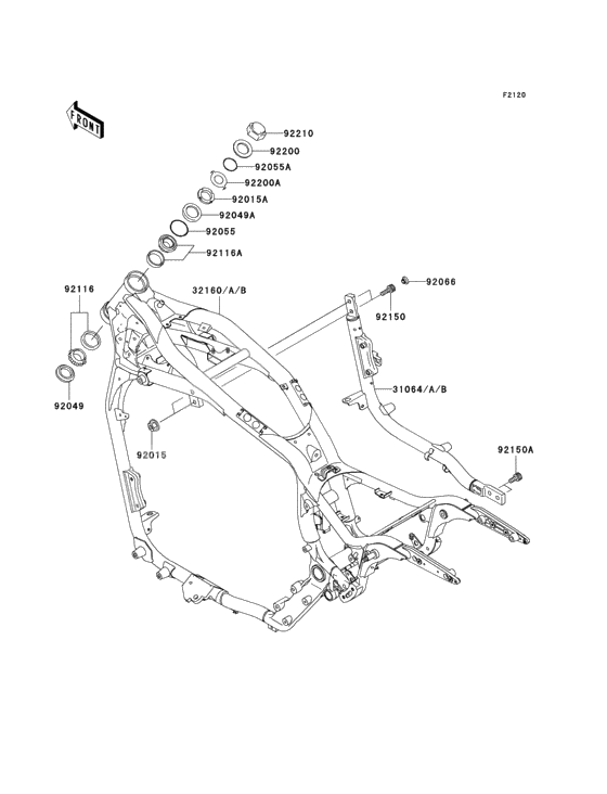
Frame
Frame
Nut,steering stem,35m (Ref #92015A)
92015A
Part #92015-1848
NUT (Ref #92015)
92015
Part #92015-1727
Seal-oil,xmhe 43 55 4 (Ref #92049)
92049
Part #92049-1383
Сальник,MX043N2 (Ref #92049A)
92049A
Part #92049-1483
RING-O,ID=24.5 (Ref #92055A)
92055A
Part #92055-1459
Кольцо-O (Ref #92055)
92055
Part #92055-1452
PLUG (Ref #92066)
92066
Part #92066-1562
Bearing-roller,32907j (Ref #92116A)
92116A
Part #92116-1074
Bearing-roller,32907j (Ref #92116)
92116
Part #92116-1072
ボルト,ソケツト,10X30 (Ref #92150)
92150
Part #92150-1690
Болт ,10X23 (Ref #92150A)
92150A
Part #92150-1942
ワツシヤ,25.5x43x2.3 (Ref #92200)
92200
Part #92200-0105
Washer,claw,25.5x40x2 (Ref #92200A)
92200A
Part #92200-1083
NUT (Ref #92210)
92210
Part #92210-1166
-
-
-
-
Цена: 0.00 р.
Доступно: 0
-
-
-
Цена: 1 760.00 р.
Доступно: 4
-
-
-
Цена: 1 670.00 р.
Доступно: 7
-
-
-
-
-
-
-
-
-
-
-
-
-
Цена: 0.00 р.
Доступно: 0
-
-
-
-
-
-
-
