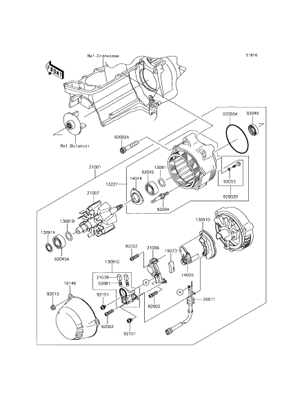
Generator
Generator
HOLDER,COVER (Ref #13091A)
13091A
Part #13091-1327
HOLDER,BEARING (Ref #13091)
13091
Part #13091-1326
RECTIFIER (Ref #13091D)
13091D
Part #13091-1466
HOLDER,BRUSH (Ref #13091C)
13091C
Part #13091-1465
HOLDER,BEARING (Ref #13091B)
13091B
Part #13091-1328
ハウジング,ゼネレ-タ (Ref #13227)
13227
Part #13227-1127
PLATE-POSITION (Ref #14014)
14014
Part #14014-1065
COVER,RECTIFIER (Ref #14025)
14025
Part #14025-1942
INSULATOR (Ref #16073)
16073
Part #16073-1062
カバ-アツシ,ゼネレータ (Ref #16146)
16146
Part #16146-1208
Generator (Ref #21001)
21001
Part #21001-0084
ROTOR,GENERATOR (Ref #21007)
21007
Part #21007-1196
BRUSH,CARBON (Ref #21039)
21039
Part #21039-1052
REGULATOR-VOLTAGE (Ref #21066)
21066
Part #21066-1076
ワイヤ(リ-ド),ゼネレータ (Ref #26011)
26011
Part #26011-0257
BOLT,SOCKET,8X45 (Ref #92002A)
92002A
Part #92002-1716
SCREW (Ref #92002B)
92002B
Part #92002-1856
STUD (Ref #92004)
92004
Part #92004-1196
Подшипник шариковый,#6002 (Ref #92015)
92015
Part #92045-1185
Гайка,5MM (Ref #92015)
92015
Part #92210-0007
Подшипник шариковый,#6002NC (Ref #92045A)
92045A
Part #92045-1249
SEAL-OIL (Ref #92049)
92049
Part #92049-1467
RING-O,3.5MM (Ref #92055)
92055
Part #92055-1264
RING-O,70.6X2.4 (Ref #92055A)
92055A
Part #92055-1366
SPRING,BRUSH (Ref #92081)
92081
Part #92081-1759
BOLT (Ref #92151)
92151
Part #92151-1245
BOLT (Ref #92151)
92151
Part #92151-1245
BOLT (Ref #92151)
92151
Part #92151-1245
BOLT (Ref #92151)
92151
Part #92151-1245
-
-
Цена: 0.00 р.
Доступно: 0
-
