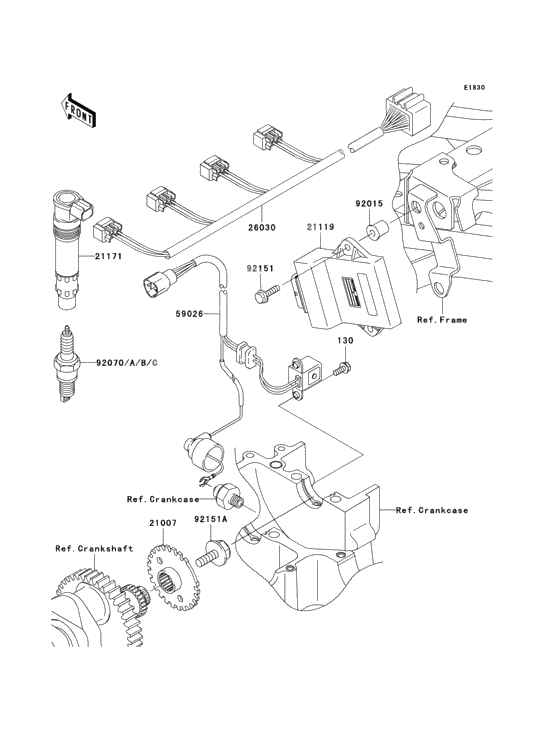
Ignition system
Ignition system
ボルト(ツバツキ),5x12 (Ref #130)
130
Part #130BA0512
ROTOR (Ref #21007)
21007
Part #21007-1359
Воспламенитель (Ref #21119)
21119
Part #21119-1621
Coil-pulsing (Ref #21171)
21171
Part #21171-1265
Проводка катушки зажигания (Ref #26030)
26030
Part #26030-1956
Coil-pulsing (Ref #59026)
59026
Part #59026-1142
NUT (Ref #92015)
92015
Part #92015-1700
Свеча (Ref #92070C)
92070C
Part #J920701265
ボルト,8x23 (Ref #92151A)
92151A
Part #92153-0549
Болт 6X20 (Ref #92151)
92151
Part #92151-1226
-
-
Цена: 0.00 р.
Доступно: 0
-
-
-
-
-
-
-
-
-
-
-
Цена: 0.00 р.
Доступно: 0
-
