2nd air
2nd air
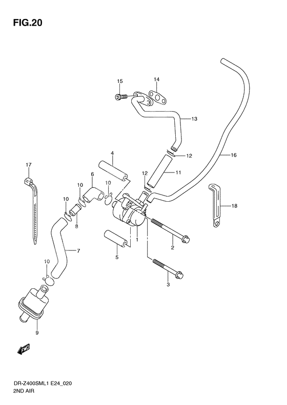
VALVE ASSY,2ND AIR (Ref #1)
1
Part #18450-29F01-000
Bolt (Ref #2)
2
Part #01550-0675B-000
Bolt (Ref #3)
3
Part #01550-0660B-000
SPACER,2ND AIR VALVE FR (Ref #4)
4
Part #18611-29F00-000
SPACER,2ND AIR VALVE RR (Ref #5)
5
Part #18612-29F00-000
HOSE,2ND AIR CLEANER JT (Ref #6)
6
Part #18712-29F00-000
HOSE,2ND AIR CLEANER (Ref #7)
7
Part #18711-29F00-000
Соединение (Ref #8)
8
Part #13888-19B00-000
CLEANER,2ND AIR (Ref #9)
9
Part #18700-29F00-000
HOSE,2ND AIR VALVE (Ref #11)
11
Part #18461-29F00-000
Clip (Ref #12)
12
Part #09401-13409-000
Clip (Ref #12)
12
Part #09401-13409-000
Clip (Ref #12)
12
Part #09401-13409-000
Clip (Ref #12)
12
Part #09401-13409-000
PIPE,2ND AIR (Ref #13)
13
Part #18410-29F10-000
Прокладка (Ref #14)
14
Part #18441-45C01-000
Болт (Ref #15)
15
Part #07130-0616A-000
Шланг (Ref #16)
16
Part #09355-35755-600
Струбцина (L:165) (Ref #17)
17
Part #09407-18402-000
Струбцина катушки (Ref #18)
18
Part #09404-06429-000
