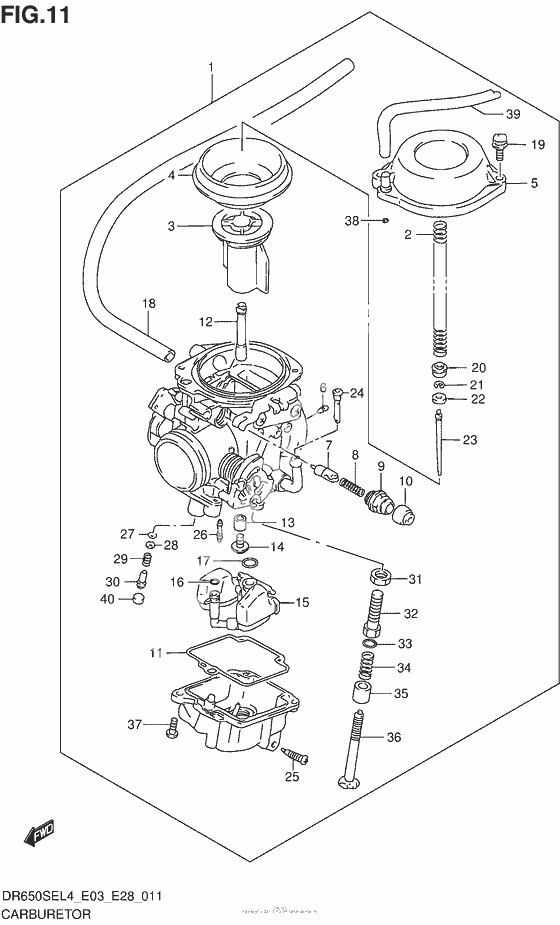
Carburetor (Dr650Sel4 E03)
Carburetor (Dr650Sel4 E03)
Карбюратор (Ref #1)
1
Part #13200-32E12-000
Пружина (Ref #2)
2
Part #13417-17D00-000
VALVE,PISTON (Ref #3)
3
Part #13501-32E00-000
Diaphragm (Ref #4)
4
Part #13507-07D01-000
COVER,DIAPHRAGM (Ref #5)
5
Part #13502-41C00-000
Жиклер (1.0) (Ref #6)
6
Part #09493-20007-000
PLUNGER (Ref #7)
7
Part #13411-12D00-000
Пружина (Ref #8)
8
Part #13417-22010-000
HOLDER,GUIDE (Ref #9)
9
Part #13418-43410-000
Cap (Ref #10)
10
Part #13681-04011-000
Прокладка крышки поплавковой камеры (Ref #11)
11
Part #13258-44B00-000
Жиклер игольчатый (Ref #12)
12
Part #09494-00884-000
Ring (Ref #13)
13
Part #13331-07D00-000
Жиклер главный (140) (Ref #14)
14
Part #09491-28010-000
FLOAT/NEEDLE VALVE ASSY (Ref #15)
15
Part #13250-12EH0-000
O ring (Ref #16)
16
Part #13374-46710-000
O RING,NEEDLE VALVE SEAT (Ref #17)
17
Part #13374-35C00-000
HOSE(6.5X10.5X275) (Ref #18)
18
Part #13683-32E00-000
Болт (Ref #19)
19
Part #02112-7516B-000
Ring (Ref #20)
20
Part #13331-12D00-000
CLIP,NEEDLE (Ref #21)
21
Part #13394-31210-000
Ring (Ref #22)
22
Part #13387-07D00-000
Жиклер (Ref #23)
23
Part #13383-32E10-000
Filter (Ref #24)
24
Part #13236-12C00-000
Заглушка дренажная (Ref #25)
25
Part #13247-02340-000
Жиклер пропускной (42.5) (Ref #26)
26
Part #09492-42010-000
O RING,PILOT AIR SCREW (Ref #27)
27
Part #13295-29901-000
Шайба (Ref #28)
28
Part #13291-29900-000
Пружина (Ref #29)
29
Part #13268-47070-000
Винт топливный (Ref #30)
30
Part #13279-47070-000
Гайка (Ref #31)
31
Part #08310-00087-000
ADJUSTER (Ref #32)
32
Part #13267-31D00-000
Шайба (Ref #33)
33
Part #13615-43010-000
Пружина (Ref #34)
34
Part #13271-33C00-000
Ring (Ref #35)
35
Part #13432-95210-000
ADJUSTER (Ref #36)
36
Part #13267-31D10-000
Болт (Ref #37)
37
Part #13601-05148-XC0
O ring (Ref #38)
38
Part #13278-02340-000
Шланг 4.5 X 8.5 (Ref #39)
39
Part #09355-45855-600
Plug (Ref #40)
40
Part #13281-05A00-000
-
2713295-29900-000
O RING,PILOT AIR SCREW
1Replaced by 13295-29901-000 Доступно: Нет в наличии
-
-
Цена: 670.00 р.
Доступно: 0
-
