Carburetor
Carburetor
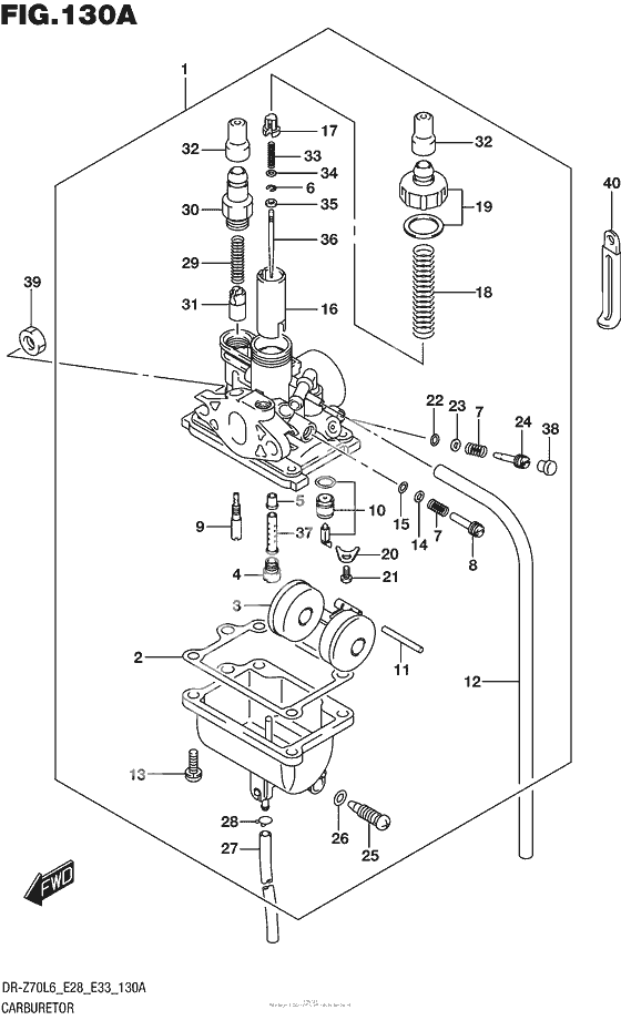
Карбюратор (Ref #1)
1
Part #13200-14H01-000
Прокладка (Ref #2)
2
Part #13251-02410-000
Поплавок (Ref #3)
3
Part #13250-02500-000
JET,MAIN(57.5) (Ref #4)
4
Part #09491-57005-000
Жиклер игольчатый (Ref #5)
5
Part #13341-14H00-000
E ring (Ref #6)
6
Part #13533-98410-000
Пружина дросселя (Ref #7)
7
Part #13268-35010-000
Винт муфты (Ref #8)
8
Part #13483-16A01-000
Жиклер пропускной (Ref #9)
9
Part #09492-17012-000
Клапан (Ref #10)
10
Part #13370-36G00-000
Поплавок (Ref #11)
11
Part #13254-20010-000
Шланг 5X9X600 (Ref #12)
12
Part #09352-50006-600
Болт (Ref #13)
13
Part #13601-04148-000
WASHER (Ref #14)
14
Part #13291-35010-000
O ring (Ref #15)
15
Part #13295-33010-000
VALVE,PISTON (Ref #16)
16
Part #13551-36G00-000
Holder (Ref #17)
17
Part #13418-12F40-000
Пружина (Ref #18)
18
Part #13268-36G00-000
Cap (Ref #19)
19
Part #13261-36G00-000
Плата клапана (Ref #20)
20
Part #13373-46710-000
Винт 3X6 (Ref #21)
21
Part #02112-0306B-000
O RING,PILOT AIR SCREW (Ref #22)
22
Part #13295-29901-000
Шайба (Ref #23)
23
Part #13291-29900-000
Регулятор (Ref #24)
24
Part #13269-43G00-000
Заглушка дренажная (Ref #25)
25
Part #13247-09G10-000
Кольцо карбюратора (Ref #26)
26
Part #13278-02330-000
Шланг смазки (Ref #27)
27
Part #09355-30705-600
Clip (Ref #28)
28
Part #13529-98010-000
Пружина (Ref #29)
29
Part #13417-37200-000
Крышка (Ref #30)
30
Part #13418-14H00-000
Плунжерстартер (Ref #31)
31
Part #13411-22G00-000
Cap (Ref #32)
32
Part #13416-26F00-000
Пружина (Ref #33)
33
Part #13481-23F00-000
Шайба (Ref #34)
34
Part #13382-23F00-000
Ring (Ref #35)
35
Part #13387-23F00-000
Жиклер (Ref #36)
36
Part #13383-14H00-000
Pipe (Ref #37)
37
Part #13385-14H10-000
Plug (Ref #38)
38
Part #13281-05A00-000
Гайка (Ref #39)
39
Part #09140-06027-000
Струбцина шнура (L:95) (Ref #40)
40
Part #09404-06434-000
-
1209352-50903-600
Шланг 5X9X600
1Replaced by 09352-50006-600 Доступно: Нет в наличии
-
2213295-29900-000
O RING,PILOT AIR SCREW
1Replaced by 13295-29901-000 Доступно: Нет в наличии
-
-
Цена: 570.00 р.
Доступно: 0
-
