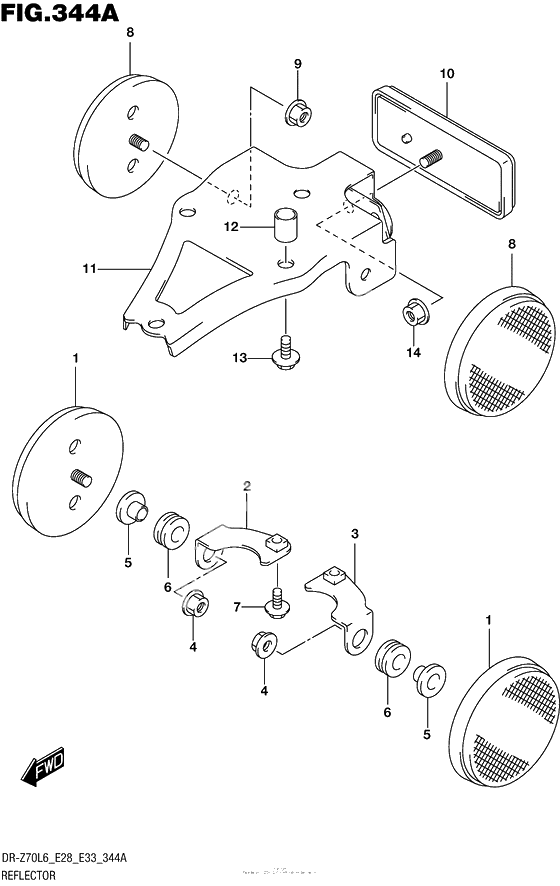
Reflector (Dr-Z70L6 E28)
Reflector (Dr-Z70L6 E28)
REFLEX REFLECTOR (Ref #1)
1
Part #35950-14A20-000
BRACKET,FR SIDE RR,R (Ref #2)
2
Part #35956-14H00-000
BRACKET,FR SIDE RR,L (Ref #3)
3
Part #35957-14H00-000
Гайка (Ref #4)
4
Part #09159-05049-000
Шайба (Ref #5)
5
Part #09169-06063-000
Cushion (Ref #6)
6
Part #09320-08066-000
Bolt (6x12) (Ref #7)
7
Part #02162-0612A-000
REFLECTOR ASSY. REAR SIDE (Ref #8)
8
Part #35970-14A20-000
Гайка (Ref #9)
9
Part #08316-1005B-000
Reflector assy, rear side (Ref #10)
10
Part #35970-07F01-000
BRACKET,SIDE & RR REFL (Ref #11)
11
Part #35974-14H00-000
SPACER(6.5X10X13) (Ref #12)
12
Part #09180-06291-000
Screw (Ref #13)
13
Part #02162-0625B-000
