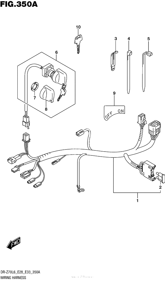
Wiring Harness (Dr-Z70L6 E28)
Wiring Harness (Dr-Z70L6 E28)
Проводка (Ref #1)
1
Part #36610-14H00-000
Предохранитель (Ref #2)
2
Part #09481-10101-000
Струбцина катушки (Ref #3)
3
Part #09404-06429-000
Clamp (l:145) (Ref #4)
4
Part #09407-14407-000
Хомут (Ref #5)
5
Part #09407-25401-000
Замок зажигания (Ref #6)
6
Part #37110-14H00-000
Гайка (Ref #7)
7
Part #37112-24500-000
MASCOT,KEY (Ref #8)
8
Part #37142-19B01-000
PLATE CONTROL IDENTIFICATION (Ref #9)
9
Part #37139-09D30-000
