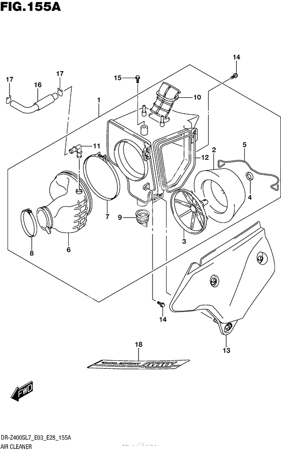
Воздушный фильтр
Воздушный фильтр
CLEANER,AIR (Ref #1)
1
Part #13701-29FB2-000
Filter assy (Ref #2)
2
Part #13780-44E00-000
HOLDER,FILTER (Ref #3)
3
Part #13791-44E00-000
Кольцо/шайба (Ref #4)
4
Part #13796-44E00-000
Пружина (Ref #5)
5
Part #13941-29F00-000
Трубка выхода (Ref #6)
6
Part #13881-29FB0-000
Clamp (Ref #7)
7
Part #13826-29F00-000
Clamp (Ref #8)
8
Part #09402-64203-000
Клапан (Ref #9)
9
Part #13872-29F00-000
Трубка впуска (Ref #10)
10
Part #13891-29FA0-000
Соединение (Ref #11)
11
Part #13858-14D20-000
GASKET,AIR CLEANER (Ref #12)
12
Part #13746-29F00-000
CAP,AIR CLEANER(BLACK) (Ref #13)
13
Part #13740-29FB1-019
Болт (Ref #14)
14
Part #01547-0616A-000
BOLT(6X14.6) (Ref #15)
15
Part #09111-06054-000
TUBE,BREATHER (Ref #16)
16
Part #13850-29FA1-000
ХОМУТ МАЛЫЙ (Ref #17)
17
Part #09401-14101-000
TAPE,CAP AIR CLEANER (Ref #18)
18
Part #68145-29FL0-BCJ
