Kick starter
Kick starter
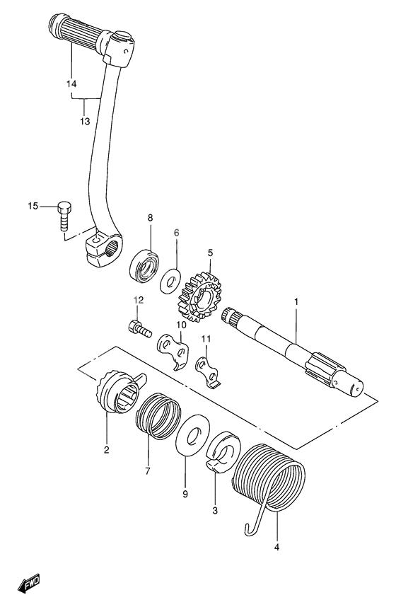
SHAFT,KICK STARTER (Ref #1)
1
Part #26211-09421-000
STARTER,KICK (Ref #2)
2
Part #26231-09410-000
GUIDE,KICK STARTER SPRING (Ref #3)
3
Part #26221-30A00-000
Пружина (Ref #4)
4
Part #09448-38004-000
GEAR,KICK STARTER DRIVE(NT:20) (Ref #5)
5
Part #26241-09402-000
Шайба, верхняя (T:1.0) (Ref #6)
6
Part #09181-14167-000
Пружина (Ref #7)
7
Part #09440-31002-000
SEAL,OIL(14X24X6) (Ref #8)
8
Part #09285-14001-000
Шайба упорная (Ref #9)
9
Part #08211-14321-000
GUIDE,KICK STARTER (Ref #10)
10
Part #26232-09401-000
Стопор (Ref #11)
11
Part #26233-09400-000
*01107-06123 (Ref #12)
12
Part #01500-0612A-000
Lever assy, kick starter (Ref #13)
13
Part #26300-30A30-000
RUBBER,KICK STARTER PEDAL (Ref #14)
14
Part #26352-01000-000
Bolt (Ref #15)
15
Part #01500-06207-000
-
126211-09420-000
Shaft, kick starter
1Replaced by 26211-09421-000 Доступно: Нет в наличии
-
1326300-30A10-000
Lever assy, kick starter
1Replaced by 26300-30A30-000 Доступно: Нет в наличии
-
1326300-30A00-000
Lever assy, kick starter
1Replaced by 26300-30A30-000 Доступно: Нет в наличии
