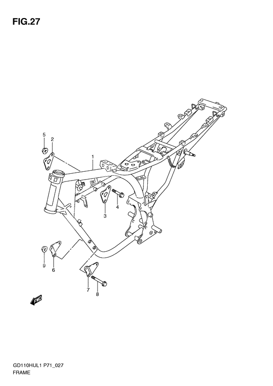
Frame comp
Frame comp
Frame (Ref #1)
1
Part #41100-36H11-000
PLATE,ENG MTG UPR (Ref #2)
2
Part #41991-36H00-000
PLATE,MOUNT UPR,L (Ref #3)
3
Part #41990-36H00-000
Bolt (Ref #4)
4
Part #01550-0850A-000
Гайка (Ref #5)
5
Part #08319-3108A-000
PLATE,ENG MTG,R (Ref #6)
6
Part #41971-36H00-000
PLATE,ENG MTG,L (Ref #7)
7
Part #41981-36H00-000
Bolt (Ref #8)
8
Part #01550-0870A-000
