Equipo electrico
Equipo electrico
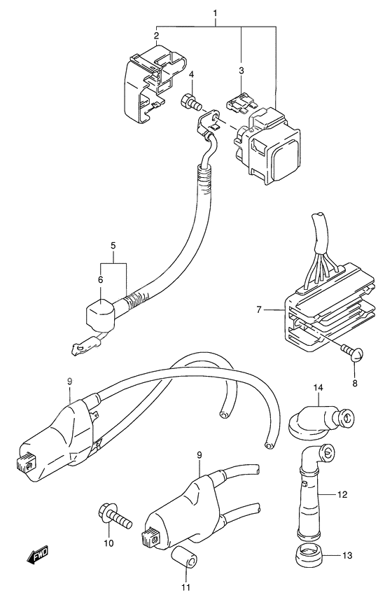
Реле стартера (Ref #1)
1
Part #31800-21E20-000
Крышка (Ref #2)
2
Part #31861-47E00-000
Предохранитель (Ref #3)
3
Part #09481-30101-000
SCREW(6X8) (Ref #4)
4
Part #09128-06013-000
WIRE,STARTER MOTOR LEAD (Ref #5)
5
Part #33810-33D10-000
Крышка (Ref #6)
6
Part #31861-48B10-000
Rectifier assy (Ref #7)
7
Part #32800-13E11-000
Болт (Ref #8)
8
Part #02142-0620A-000
Катушка зажигания (Ref #9)
9
Part #33410-32X50-000
Катушка зажигания (Ref #9)
9
Part #33410-32X50-000
Катушка зажигания (Ref #9)
9
Part #33410-32X50-000
Катушка зажигания (Ref #9)
9
Part #33410-32X50-000
Болт (Ref #10)
10
Part #01580-0635B-000
Кольцо/шайба (Ref #11)
11
Part #09180-06244-000
Свечной колпачек (Ref #12)
12
Part #33510-11D00-000
SEAL,SPARK PLUG CAP (Ref #13)
13
Part #33541-23E01-000
Уплотнение (Ref #14)
14
Part #33542-20E10-000
-
231861-21E20-000
Cover, relay assy
1Replaced by 31861-47E00-000 Доступно: Нет в наличии
-
732800-13E10-000
Rectifier assy
1Replaced by 32800-13E11-000 Доступно: Нет в наличии
