Steering stem Gsf1200sk6/sak6
Steering stem Gsf1200sk6/sak6
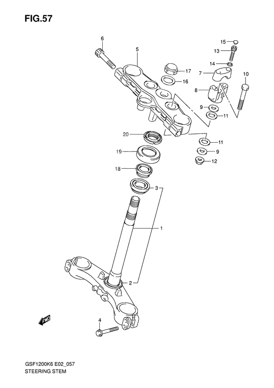
STEM,STEERING (Ref #1)
1
Part #51410-32F10-000
SEAL,STEERING LWR (Ref #2)
2
Part #51644-12C00-000
BEARING(30X55X17) (Ref #3)
3
Part #09265-30020-000
BOLT(8X40) (Ref #4)
4
Part #51328-03FK0-000
HEAD,STEERING STEM (Ref #5)
5
Part #51311-49G00-000
Bolt (Ref #6)
6
Part #51166-25D70-000
Держатель рукоятки нижний (Ref #7)
7
Part #56211-17G00-13L
HOLDER,HANDLE UNDER (Ref #8)
8
Part #56221-49G00-000
Шайба (Ref #9)
9
Part #51355-49G00-000
Шайба (Ref #9)
9
Part #51355-49G00-000
Шайба (Ref #9)
9
Part #51355-49G00-000
Шайба (Ref #9)
9
Part #51355-49G00-000
Bolt (Ref #10)
10
Part #56321-49G00-000
RUBBER SEAT (Ref #11)
11
Part #56245-49G00-000
RUBBER SEAT (Ref #11)
11
Part #56245-49G00-000
RUBBER SEAT (Ref #11)
11
Part #56245-49G00-000
RUBBER SEAT (Ref #11)
11
Part #56245-49G00-000
Гайка (Ref #12)
12
Part #08319-31107-000
Болт (Ref #13)
13
Part #07130-08307-000
Шайба (Ref #14)
14
Part #09164-08015-000
CAP(OD:11) (Ref #15)
15
Part #09250-06011-000
Шайба (Ref #16)
16
Part #51354-49G00-000
NUT,CAP (Ref #17)
17
Part #51353-24B00-000
Подшипник (Ref #18)
18
Part #09265-25038-000
Пыльник (Ref #19)
19
Part #51643-40503-000
NUT,STEERING STEM (Ref #20)
20
Part #51631-31F00-000
