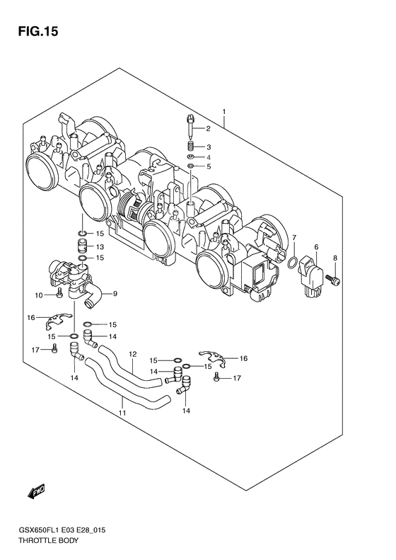
Throttle body Gsx650fal1 e28
Throttle body Gsx650fal1 e28
Корпус дросселя (Ref #1)
1
Part #13405-17H20-000
Болт (Ref #2)
2
Part #13269-33E00-000
Пружина (Ref #3)
3
Part #13268-48700-000
Шайба (Ref #4)
4
Part #13606-47A00-000
O RING,PILOT AIR SCREW (Ref #5)
5
Part #13295-29901-000
Датчик (Ref #6)
6
Part #13580-18H00-000
O ring (Ref #7)
7
Part #13575-29G00-000
Болт (Ref #8)
8
Part #13605-02F00-000
ACTUATOR,ISC (Ref #9)
9
Part #18117-18H01-000
Болт (Ref #10)
10
Part #13605-18H00-000
Hose (Ref #11)
11
Part #13698-18H20-000
Hose (Ref #12)
12
Part #13698-18H30-000
Pipe (Ref #13)
13
Part #13682-18H00-000
Plate (Ref #16)
16
Part #13691-18H00-000
Plate (Ref #16)
16
Part #13691-18H00-000
Plate (Ref #16)
16
Part #13691-18H00-000
Plate (Ref #16)
16
Part #13691-18H00-000
Болт (Ref #17)
17
Part #02112-0408A-000
Болт (Ref #17)
17
Part #02112-0408A-000
Болт (Ref #17)
17
Part #02112-0408A-000
Болт (Ref #17)
17
Part #02112-0408A-000
-
513295-29900-000
O RING,PILOT AIR SCREW
4Replaced by 13295-29901-000 Доступно: Нет в наличии
-
-
Цена: 670.00 р.
Доступно: 0
-
