Throttle body Gsx-r1000l1 e14
Throttle body Gsx-r1000l1 e14
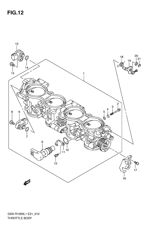
Body assy,throttle (Ref #1)
1
Part #13406-47H10-000
SCREW,AIR ADJUST (Ref #2)
2
Part #13269-18G00-000
Пружина (Ref #3)
3
Part #13271-43E00-000
Шайба (Ref #4)
4
Part #13291-26E00-000
O ring (Ref #5)
5
Part #13295-26E00-000
Сенсор (Ref #6)
6
Part #13580-18G00-000
O ring (Ref #7)
7
Part #13575-40F00-000
Болт (Ref #8)
8
Part #13605-40F00-000
Valve assy,isc (Ref #9)
9
Part #18117-15H12-000
O ring (Ref #10)
10
Part #18119-05H00-000
PLATE,ISC VALVE (Ref #11)
11
Part #13428-15H00-000
Болт (Ref #12)
12
Part #13605-15H00-000
SENSOR ASSY,THROTTLE SUB (Ref #13)
13
Part #13580-47H00-000
PLATE,STAY (Ref #16)
16
Part #13565-21H00-000
Болт (Ref #17)
17
Part #13601-21H00-000
Пружина (Ref #18)
18
Part #13426-21H00-000
LEVER ASSY,LINK (Ref #19)
19
Part #13420-47H00-000
Шайба (Ref #20)
20
Part #13427-35F10-000
Крепление (Ref #21)
21
Part #13424-35F10-000
-
918117-15H11-000
Valve assy,isc
1Replaced by 18117-15H12-000 Доступно: Нет в наличии
