Throttle Body Hose/joint (Gsx1300Ral4 E28)
Throttle Body Hose/joint (Gsx1300Ral4 E28)
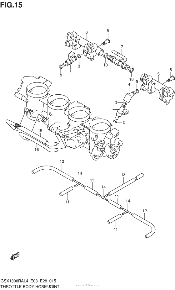
INJECTOR ASSY (Ref #1)
1
Part #15710-21H10-000
RING,SEAL (Ref #2)
2
Part #15722-21H00-000
O ring (Ref #3)
3
Part #15721-21H00-000
PIPE,FUEL (Ref #4)
4
Part #13473-21H00-000
PIPE,FUEL (Ref #5)
5
Part #13474-21H00-000
PIPE,FUEL (Ref #6)
6
Part #13474-21H10-000
Joint (Ref #7)
7
Part #13473-15H10-000
Болт (Ref #8)
8
Part #13601-35F00-000
O-RING (Ref #9)
9
Part #15721-24F00-000
O ring (Ref #10)
10
Part #15721-10G00-000
HOSE,RUBBER(L:35) (Ref #11)
11
Part #13697-24F00-000
HOSE,RUBBER(L:100) (Ref #12)
12
Part #13697-24F20-000
HOSE,RUBBER(3X7X170) (Ref #13)
13
Part #13697-35F00-000
Направляющая трубки (Ref #14)
14
Part #13471-24F30-000
Tube (Ref #15)
15
Part #13680-21H10-000
Tube (Ref #16)
16
Part #13698-21H00-000
