Система вентиляции бензобака (Gsx1300Ral3 E33)
Система вентиляции бензобака (Gsx1300Ral3 E33)
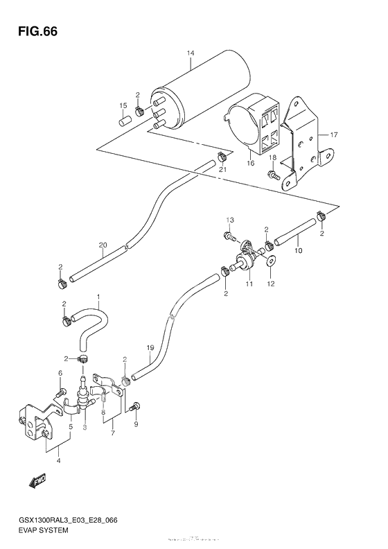
HOSE,TANK & BREATHER VALVE (Ref #1)
1
Part #44434-15H00-000
Clip (Ref #2)
2
Part #09401-11413-000
VALVE,FUEL TANK BREATHER (Ref #3)
3
Part #44240-17C00-000
PLATE,TANK BREATHER VALVE (Ref #4)
4
Part #44890-24F00-000
Cushion (Ref #5)
5
Part #44894-24A00-000
Болт (Ref #6)
6
Part #02142-0610B-000
PLATE,FUEL TANK BREATHER NO.2 (Ref #7)
7
Part #44892-24A00-000
Болт (Ref #9)
9
Part #02142-0408B-000
HOSE,BRTHR VALVE & 2 WAY (Ref #10)
10
Part #44435-15H10-000
Клапан (Ref #11)
11
Part #44240-24F00-000
Шайба (6.5X20X1.2) (Ref #12)
12
Part #09160-06077-000
Bolt (Ref #13)
13
Part #01550-0616B-000
Адсорбер с активированным углем (Ref #14)
14
Part #17210-15H00-000
Cap (Ref #15)
15
Part #09251-07005-000
CUSHION,CANISTER (Ref #16)
16
Part #44883-06G00-000
BRACKET,CANISTER (Ref #17)
17
Part #44880-15H00-000
Bolt (Ref #18)
18
Part #01550-0612B-000
HOSE,2 WAY & CSTR (Ref #19)
19
Part #44437-15H10-000
Hose (Ref #20)
20
Part #09359-54113-700
Крепёж (Ref #21)
21
Part #09401-12404-000
