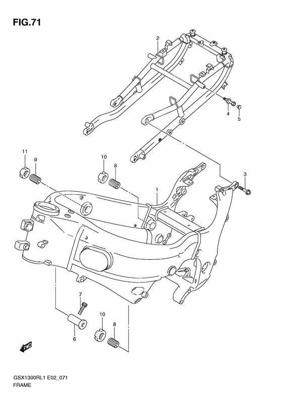
Frame comp
Frame comp
FRAME(BLACK) (Ref #1)
1
Part #41100-15H13-YAP
Rail comp,seat (Ref #2)
2
Part #41200-15H13-000
Bolt, seat rail (Ref #3)
3
Part #09103-10296-000
HOOK,SEAT RAIL (Ref #4)
4
Part #46315-24F01-000
Cap (Ref #5)
5
Part #09250-05009-000
SPACER,ENGINE MTG (Ref #6)
6
Part #41911-33E10-000
Болт (Ref #7)
7
Part #09106-08105-000
BOLT,CRANK CASE ADJUST (Ref #8)
8
Part #41921-15H20-000
BOLT,CRANK CASE ADJUST (Ref #8)
8
Part #41921-15H20-000
BOLT,CRANK CASE ADJUST (Ref #8)
8
Part #41921-15H20-000
BOLT,CRANK CASE ADJUST (Ref #8)
8
Part #41921-15H20-000
BOLT,CRANK CASE ADJUST (Ref #9)
9
Part #41921-15H30-000
NUT,CRANK CASE ADJUST (Ref #10)
10
Part #41922-19F12-000
NUT,CRANK CASE ADJUST (Ref #10)
10
Part #41922-19F12-000
NUT,CRANK CASE ADJUST (Ref #10)
10
Part #41922-19F12-000
NUT,CRANK CASE ADJUST (Ref #10)
10
Part #41922-19F12-000
Nut, crank case adjust lh (Ref #11)
11
Part #41922-33E30-000
-
841921-15H00-000
Bolt, crankcase adjust
2Replaced by 41921-15H20-000 Доступно: Нет в наличии
-
941921-15H10-000
Bolt, crankcase adjust
1Replaced by 41921-15H30-000 Доступно: Нет в наличии
-
1041922-19F11-000
Nut, crank case adjust
2Replaced by 41922-19F12-000 Доступно: Нет в наличии
-
1141922-33E10-000
Nut, crank case adjust lh
1Replaced by 41922-33E30-000 Доступно: Нет в наличии
