Throttle Body (Gsx-R600L4 E33)
Throttle Body (Gsx-R600L4 E33)
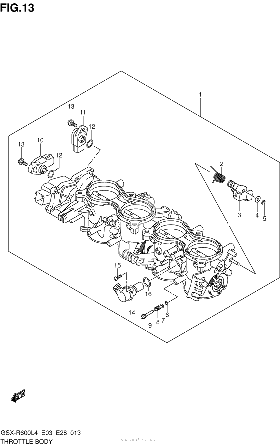
Body assy,throttle (Ref #1)
1
Part #13406-14J10-000
SPRING,TORSION (Ref #2)
2
Part #13426-29G00-000
LEVER ASSY,LINK (Ref #3)
3
Part #13420-37H00-000
Packing (Ref #4)
4
Part #13427-29G00-000
E ring (Ref #5)
5
Part #13424-29G00-000
O RING,PILOT AIR SCREW (Ref #6)
6
Part #13295-29901-000
Шайба (Ref #7)
7
Part #13606-47A00-000
Пружина (Ref #8)
8
Part #13268-48700-000
Болт (Ref #9)
9
Part #13269-33E00-000
Датчик (Ref #10)
10
Part #13580-14J00-000
Датчик (Ref #11)
11
Part #13580-14J10-000
O ring (Ref #12)
12
Part #13575-29G00-000
Болт (Ref #13)
13
Part #13605-02F00-000
Motor assy (Ref #14)
14
Part #18117-14J01-000
Болт (Ref #15)
15
Part #13605-37H00-000
O ring (Ref #16)
16
Part #13679-37H00-000
-
613295-29900-000
O RING,PILOT AIR SCREW
4Replaced by 13295-29901-000 Доступно: Нет в наличии
-
-
Цена: 670.00 р.
Доступно: 0
-
