Коленчатый вал & Поршень
Коленчатый вал & Поршень
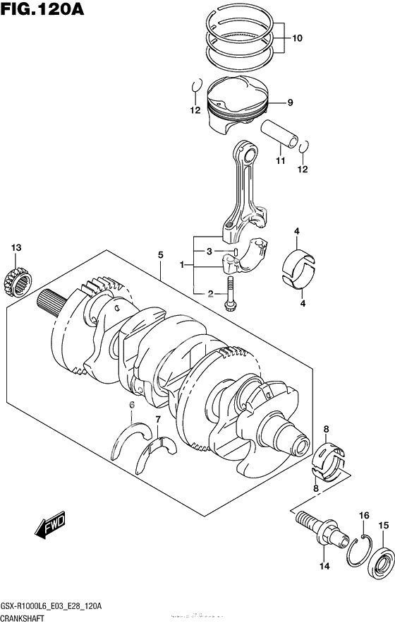
Шатун (Ref #1)
1
Part #12160-47H00-000
BOLT,CONNECTING ROD (Ref #2)
2
Part #12163-24F10-000
PIN,CONNECTING ROD (Ref #3)
3
Part #12165-27A50-000
Коленчатый вал (Ref #5)
5
Part #12000-47860-000
BEARING,CRANK THRUST(GREEN) (Ref #6)
6
Part #12228-48B00-0E0
Piston (Ref #9)
9
Part #12111-47H50-0F0
Ring set,piston (Ref #10)
10
Part #12140-47H10-000
Pin,piston (Ref #11)
11
Part #12151-47H00-000
Circlip (Ref #12)
12
Part #09381-15001-000
SPROCKET,CAM CHAIN DRIVE (Ref #13)
13
Part #12731-47H00-000
BOLT,GENERATOR ROTOR (Ref #14)
14
Part #12224-47H00-000
SEAL,OIL(14X30X8) (Ref #15)
15
Part #09282-14007-000
Стопорное кольцо (пружинное) (Ref #16)
16
Part #08331-41329-000
-
-
Цена: 8 970.00 р.
Доступно: 4
-
