Вилка передней оси (Gsx-R1000L6 E33)
Вилка передней оси (Gsx-R1000L6 E33)
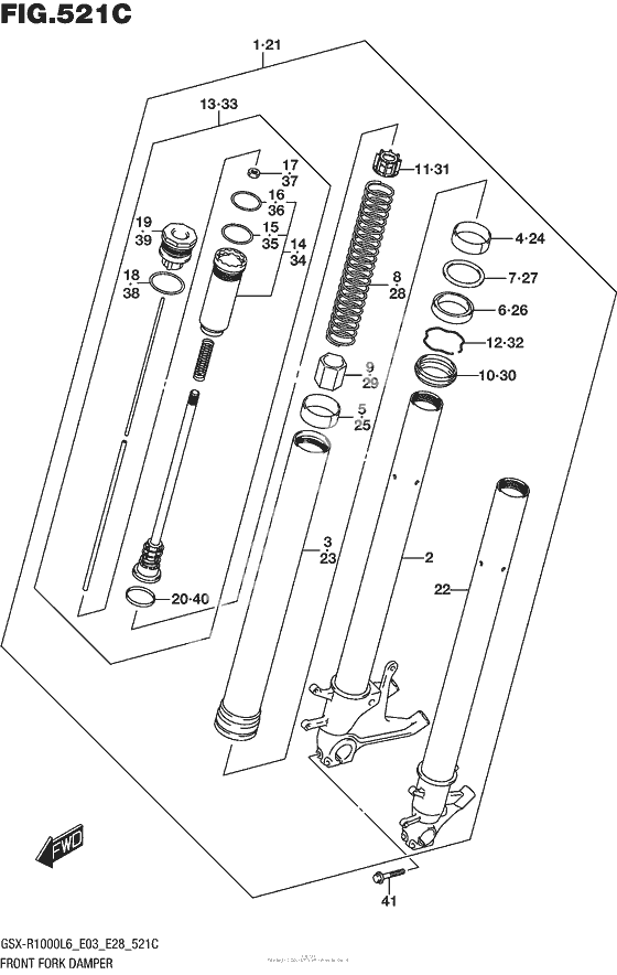
DAMPER ASSY,FR FORK,R (Ref #1)
1
Part #51103-47H20-000
TUBE,INNER,R (Ref #2)
2
Part #51110-47H20-000
TUBE,OUTER (Ref #3)
3
Part #51131-47H20-000
BUSH,GUIDE (Ref #4)
4
Part #51152-47H00-000
BUSH,SLIDE (Ref #5)
5
Part #51152-47H10-000
Сальник (Ref #6)
6
Part #51153-47H00-000
SPACER,SEAL (Ref #7)
7
Part #51168-29G00-000
Пружина (Ref #8)
8
Part #51171-47H20-000
COLLAR,SPRING (Ref #9)
9
Part #51176-47H20-000
Уплотнение (Ref #10)
10
Part #51173-27G00-000
Хомут пружины (Ref #11)
11
Part #51175-47H00-000
Кольцо (Ref #12)
12
Part #51556-38B00-000
ROD,PISTON (Ref #13)
13
Part #52110-47H20-000
CASE,ROD GUIDE (Ref #14)
14
Part #51174-47H20-000
RING,PISTON (Ref #15)
15
Part #51118-47H00-000
Прокладка (Ref #16)
16
Part #51187-47H10-000
Гайка (Ref #17)
17
Part #51827-29G00-000
Прокладка (Ref #18)
18
Part #51187-47H00-000
Bolt (Ref #19)
19
Part #51189-47H20-000
RING,PISTON (Ref #20)
20
Part #51118-47H20-000
DAMPER ASSY,FR FORK,L (Ref #21)
21
Part #51104-47H20-000
TUBE,INNER,L (Ref #22)
22
Part #51120-47H20-000
Bolt (Ref #41)
41
Part #51321-36F00-000
-
-
Цена: 560.00 р.
Доступно: 10
-
-
-
Цена: 590.00 р.
Доступно: 2
-
-
-
Цена: 2 150.00 р.
Доступно: 10
-
-
-
Цена: 1 060.00 р.
Доступно: 2
-
