Руль & Тросики (Gsx-R1000L6 E33)
Руль & Тросики (Gsx-R1000L6 E33)
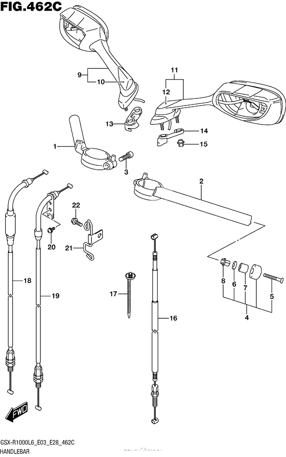
HANDLEBAR,R (Ref #1)
1
Part #56111-47H10-000
HANDLEBAR,L (Ref #2)
2
Part #56151-47H11-000
BOLT(8X32) (Ref #3)
3
Part #09106-08185-000
BALANCER SET,HANDLEBAR (Ref #4)
4
Part #56200-41823-000
Болт (Ref #5)
5
Part #02122-0640B-000
Шайба (Ref #6)
6
Part #09160-06131-000
EXPANDER,HANDLE BALANCER (Ref #7)
7
Part #56272-10G01-000
Гайка (Ref #8)
8
Part #56273-10G10-000
MIRROR ASSY,RR VIEW,R (Ref #9)
9
Part #56500-47H01-000
Крышка правого зеркала (Ref #10)
10
Part #56515-47H01-000
MIRROR ASSY,RR VIEW,L (Ref #11)
11
Part #56600-47H01-000
CAP,L (Ref #12)
12
Part #56615-47H01-000
CUSHION,RR VIEW MIRRROR,R (Ref #13)
13
Part #94575-47H00-000
CUSHION,RR VIEW MIRRROR,L (Ref #14)
14
Part #94576-47H00-000
Гайка (Ref #15)
15
Part #56619-41G01-000
CABLE ASSY,CLUTCH (Ref #16)
16
Part #58200-47H20-000
CLAMP(L:154) (Ref #17)
17
Part #09407-17403-000
CABLE ASSY,THROTTLE NO.1 (Ref #18)
18
Part #58300-47H01-000
CABLE ASSY,THROTTLE NO.2 (Ref #19)
19
Part #58300-47H11-000
Винт L (Ref #20)
20
Part #09125-05042-000
GUIDE,CABLE (Ref #21)
21
Part #58620-47H00-000
Болт (Ref #22)
22
Part #01547-0612A-000
-
456200-41822-000
BALANCER SET,HANDLEBAR
2Replaced by 56200-41823-000 Доступно: Нет в наличии
-
756272-10G00-000
EXPANDER,HANDLE BALANCER
2Replaced by 56272-10G01-000 Доступно: Нет в наличии
-
-
Цена: 4 020.00 р.
Доступно: 1
-
-
1858300-47H00-000
CABLE ASSY,THROTTLE NO.1
1Replaced by 58300-47H01-000 Доступно: Нет в наличии
-
-
Цена: 4 210.00 р.
Доступно: 1
-
-
1958300-47H10-000
CABLE ASSY,THROTTLE NO.2
1Replaced by 58300-47H11-000 Доступно: Нет в наличии
-
-
Цена: 4 210.00 р.
Доступно: 1
-
