Цепь ГРМ & Натяжитель & Успокоитель
Цепь ГРМ & Натяжитель & Успокоитель
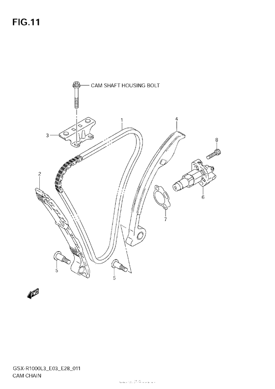
CHAIN,CAMSHAFT DRIVE (Ref #1)
1
Part #12760-40F01-000
GUIDE,CAM CHAIN NO.1 (Ref #2)
2
Part #12771-47H01-000
GUIDE CAM CHAIN NO,2 (Ref #3)
3
Part #12782-35F11-000
TENSIONER,CAM CHAIN (Ref #4)
4
Part #12811-47H00-000
BOLT,CAM CHAIN TENSIONER (Ref #5)
5
Part #12812-31G00-000
ADJUSTER ASSY,TENSIONER (Ref #6)
6
Part #12830-47H00-000
GASKET,TENSIONER ADJUSTER (Ref #7)
7
Part #12837-02H00-000
Болт (Ref #8)
8
Part #07130-0625A-000
-
212771-47H00-000
GUIDE,CAM CHAIN NO.1
1Replaced by 12771-47H01-000 Доступно: Нет в наличии
-
312782-35F10-000
GUIDE CAM CHAIN NO,2
1Replaced by 12782-35F11-000 Доступно: Нет в наличии
-
-
Цена: 25 160.00 р.
Доступно: 1
-
-
-
Цена: 630.00 р.
Доступно: 1
-
