Hydraulic Unit (Gsx-S750Al5 E28)
Hydraulic Unit (Gsx-S750Al5 E28)
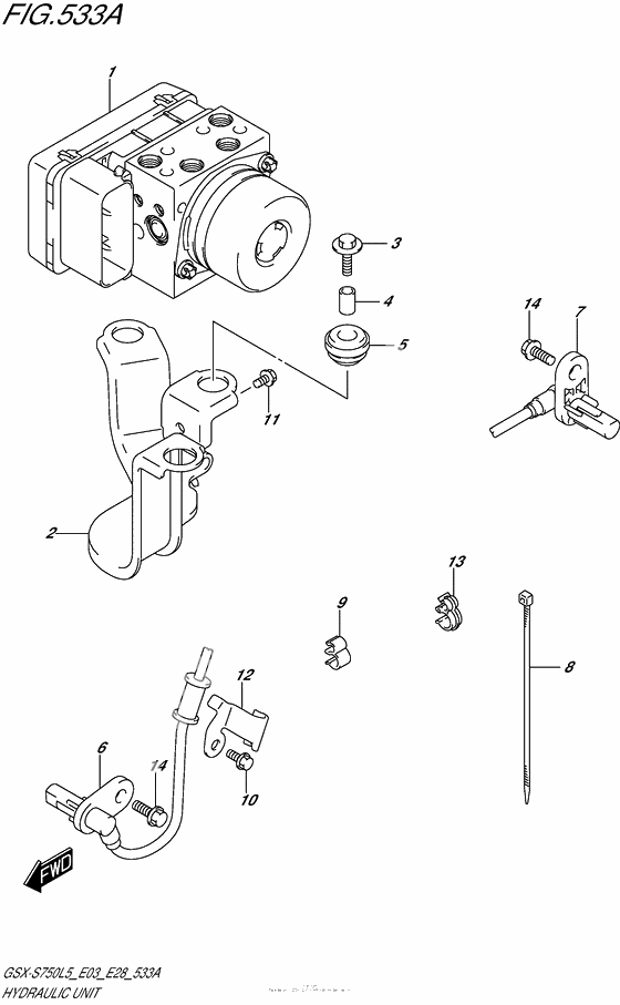
UNIT ASSY,HYDRAULIC ABS (Ref #1)
1
Part #55610-08J01-000
HOLDER,HYDRAULIC UNIT ABS (Ref #2)
2
Part #55660-08J00-000
Болт (Ref #3)
3
Part #09116-06150-000
Кольцо/шайба (Ref #4)
4
Part #55662-10G00-000
RUBBER,HYDR UNIT MTG (Ref #5)
5
Part #55663-10G10-000
SENSOR,FR WHEEL ABS (Ref #6)
6
Part #55710-08J00-000
SENSOR,RR WHEEL ABS (Ref #7)
7
Part #65710-08J00-000
Clamp (l:145) (Ref #8)
8
Part #09407-14407-000
Clamp (Ref #9)
9
Part #09408-00266-000
Болт (Ref #10)
10
Part #01547-0612A-000
Болт (Ref #11)
11
Part #01547-0610A-000
CLAMP,SENSOR LEAD FR NO.1 (Ref #12)
12
Part #55731-08J00-000
Clamp (Ref #13)
13
Part #09408-00242-000
Болт крепёжный (Ref #14)
14
Part #01550-0816A-000
