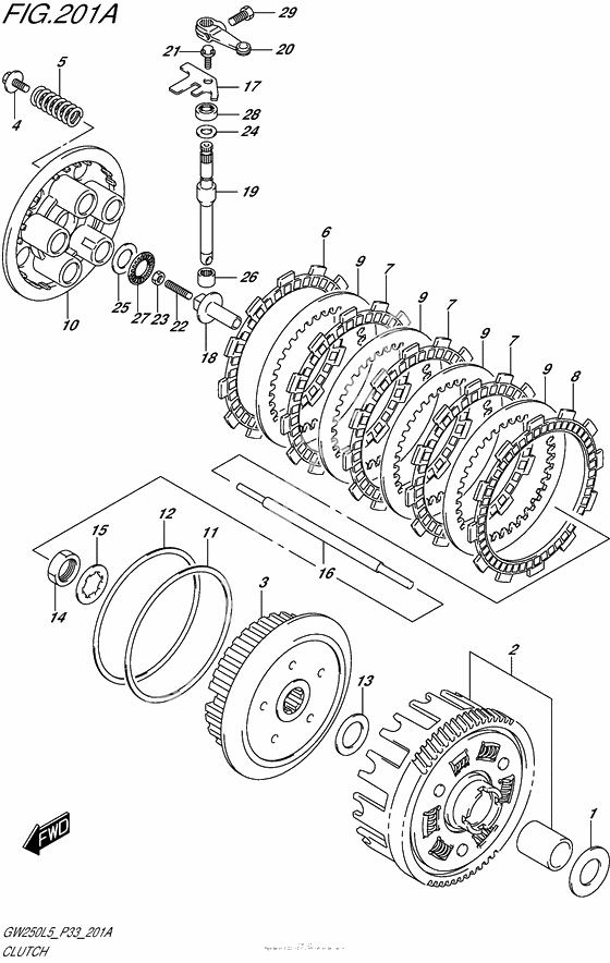
Сцепление
Сцепление
WASHER,THRUST (Ref #1)
1
Part #21252-48H00-000
GEAR ASSY,PRI DRIVEN (Ref #2)
2
Part #21200-48880-000
HUB,CLUTCH SLEEVE (Ref #3)
3
Part #21411-48H00-000
BOLT,CLUTCH SPRING (Ref #4)
4
Part #21412-48H00-000
SPRING,CLUTCH (Ref #5)
5
Part #21413-48H00-000
PLATE,CLUTCH DRIVE NO.1 (Ref #6)
6
Part #21441-48H00-000
PLATE,CLUTCH DRIVE NO.2 (Ref #7)
7
Part #21441-48H10-000
PLATE,CLUTCH DRIVE NO.3 (Ref #8)
8
Part #21442-48H00-000
PLATE,CLUTCH DRIVEN (Ref #9)
9
Part #21451-48H00-000
DISC,CLUTCH PRESSURE (Ref #10)
10
Part #21462-48H00-000
SEAT,WAVE WASHER (Ref #11)
11
Part #21471-48H00-000
WASHER,CLUTCH SLEEVE HUB WAVE (Ref #12)
12
Part #21472-48H00-000
WASHER (Ref #13)
13
Part #08211-22363-000
Гайка (Ref #14)
14
Part #09140-22005-000
Шайба (Ref #15)
15
Part #09167-22029-000
ROD,CLUTCH PUSH (Ref #16)
16
Part #23110-48H00-000
RETAINER,CL RLSE OIL SEAL (Ref #17)
17
Part #23117-48H00-000
PIECE,CLUTCH PUSH (Ref #18)
18
Part #23121-48H00-000
CAMSHAFT,CLUTCH RELEASE (Ref #19)
19
Part #23122-48H02-000
ARM,CLUTCH RELEASE (Ref #20)
20
Part #23271-48H00-000
Bolt(6x12) (Ref #21)
21
Part #09103-06233-000
Болт (Ref #22)
22
Part #09134-06018-000
Гайка (Ref #23)
23
Part #09140-06023-000
WASHER(12.5X17X1) (Ref #24)
24
Part #09160-12119-000
Шайба (Ref #25)
25
Part #09160-15045-000
BEARING(10X14X10) (Ref #26)
26
Part #09263-10023-000
BEARING(15X28X2) (Ref #27)
27
Part #09263-15L01-000
SEAL,OIL(10X17X5) (Ref #28)
28
Part #09285-10L01-000
Bolt (Ref #29)
29
Part #01500-0616A-000
-
2609263-10L01-000
BEARING(10X14X10)
1Replaced by 09263-10023-000 Доступно: Нет в наличии
