Стартер электрический
Стартер электрический
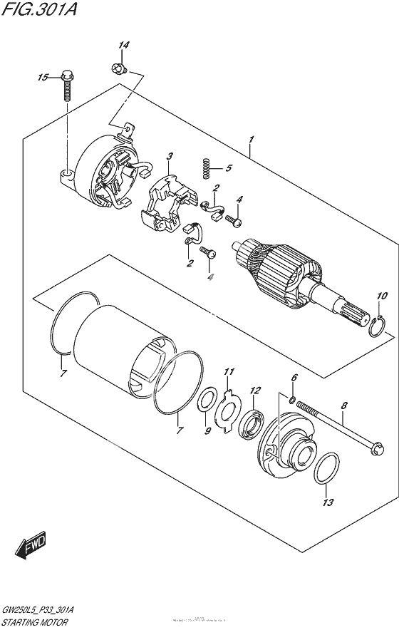
Motor assy,starting (Ref #1)
1
Part #31100-48H00-000
Brush (Ref #2)
2
Part #31132-25H00-000
HOLDER,BRUSH (Ref #3)
3
Part #31133-25H00-000
Болт (Ref #4)
4
Part #31134-25H00-000
Пружина (Ref #5)
5
Part #31135-25H00-000
O ring (Ref #6)
6
Part #31156-25H00-000
O ring (Ref #7)
7
Part #31264-05530-000
Bolt (Ref #8)
8
Part #31281-25H00-000
Shim (Ref #9)
9
Part #31361-055A0-000
RING,SNAP (Ref #10)
10
Part #31361-05530-000
Плата замка (Ref #11)
11
Part #31361-25H00-000
Сальник (Ref #12)
12
Part #31153-05530-000
O ring (Ref #13)
13
Part #09280-24003-000
Винт (5X8) (Ref #14)
14
Part #09137-05004-000
Болт (Ref #15)
15
Part #01547-0625A-000
